请注意,本文内容源自机器翻译,可能存在语法或其它翻译错误,仅供参考。如需获取准确内容,请参阅链接中的英语原文或自行翻译。
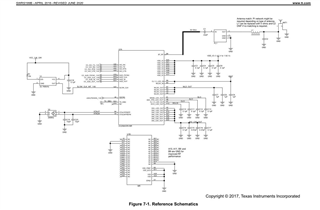
器件型号:CC2564C 数据表(https://www.ti.com/lit/gpn/CC2564C)在第44页显示了一个参考电路原理图。
它看起来像这样

下一页中是类似这样的 BOM。 什么是 ANT1?

This thread has been locked.
If you have a related question, please click the "Ask a related question" button in the top right corner. The newly created question will be automatically linked to this question.
数据表(https://www.ti.com/lit/gpn/CC2564C)在第44页显示了一个参考电路原理图。
它看起来像这样

下一页中是类似这样的 BOM。 什么是 ANT1?

您好!
数据表显示了 CC256XCQFN-EM 板参考设计的原理图和 BOM。 Ant1是实现的倒置 F 型天线 (请参见 2.4GHz 倒置 F 型天线文献编号 SWRU120)。 您也可以参考 CC256x QFN PCB 指南 Lit# SWRS199、或 从 EVM 产品页面下载参考设计。
Br、
杰西卡