This thread has been locked.

If you have a related question, please click the "Ask a related question" button in the top right corner. The newly created question will be automatically linked to this question.

controlSuite里面drv8312 kit原理图的一个小问题



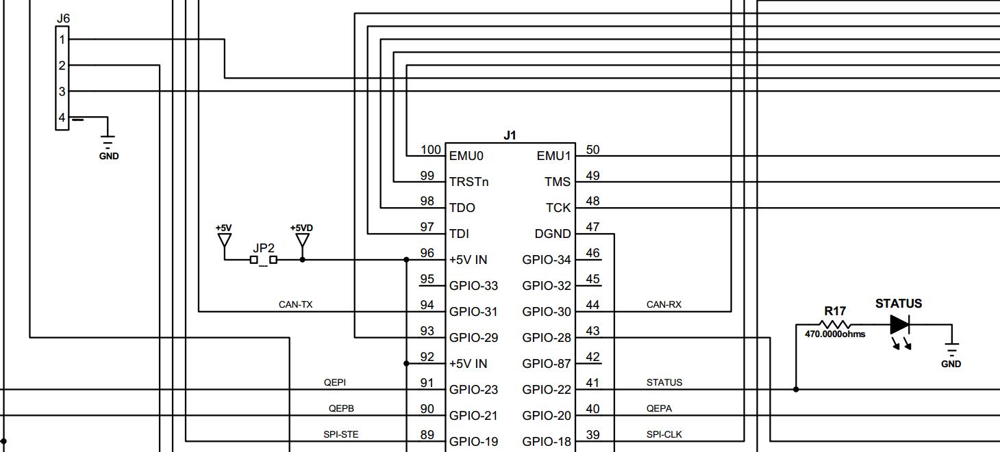
图中+5V和+5VD是几个意思???这个短路帽不是必须得连起来嘛,干嘛不直接接上,这个两个网络标号也没有什么实际意义啊,考虑到+5VD同时还连接了霍尔传感器和QEP接口,不应该用个隔离的电源处理一下吗?

  • 这个短路帽是要接起来的,是给MCU和外部模块供电的。有可能是不加这个跳帽,让你先测一下板子的供电是否正常。

    接霍尔和QEP干嘛要隔离,没必要,又不是强电,再者,板子强电弱电也没隔离,更不需要。

    ERIC

  •    做的板子不多,之前读本科时,学过一些数字地模拟地隔离的问题,原理图另外一部分can口通信时,看到了电容隔离的芯片,qep里面是比较高频的数字信号,所以有这样的疑惑,不应该加一个电源隔离,类似串口通信的口的处理方式。而且这个板子也没有什么数字模拟隔离,为何呢?麻烦您了

  • 原理图中的跳线帽选择 这种设计一般是在采用两种电源供电的情况下使用

    比如  板上有点远转换  可以供电即连接到跳线帽的右侧

    由外部直接供电   可以连接到跳线帽左侧  然后接通跳线帽

    关于隔离   由于编码信号一般都是来自电机   有些设计中加上考虑电平不匹配

    就会做隔离处理   

  • 不是说高频就需要隔离。关键是看产品的设计要求。与外界通信,有些系统就要求隔离,所以会有隔离的485,隔离的CAN。电机信号本来就属于强电这部分的信号。

    Eric