你好,
我们目前使用的TMS320F28062PZT,发现如下问题:只能通过SCI烧录 仿真器连接不上 ,TDO口拉高 仿真器可以烧录仿真运行,重新上电还是无法运行 。
电路图如下图:

CN2跳线短接后,TDO上拉,TDO口接入3.3V ;实际只有1.255V,导致芯片不工作。
请帮忙分析一下,谢谢!
This thread has been locked.
If you have a related question, please click the "Ask a related question" button in the top right corner. The newly created question will be automatically linked to this question.
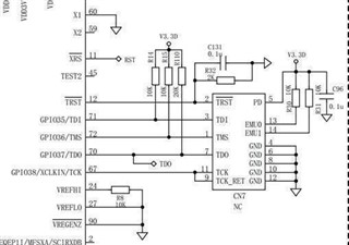
你好,
我们目前使用的TMS320F28062PZT,发现如下问题:只能通过SCI烧录 仿真器连接不上 ,TDO口拉高 仿真器可以烧录仿真运行,重新上电还是无法运行 。
电路图如下图:

CN2跳线短接后,TDO上拉,TDO口接入3.3V ;实际只有1.255V,导致芯片不工作。
请帮忙分析一下,谢谢!
你好,通过SCI烧写的程序能否正常运行?
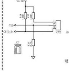
TDO口拉高 仿真器可以烧录仿真运行,重新上电还是无法运行
这里你烧写的是ram运行的程序还是flash运行的程序?如果是ram运行的程序的话掉电再上电是无法运行的,ram掉电就丢失程序了
TDO上拉,TDO口接入3.3V ;实际只有1.255V,导致芯片不工作。
TDO口是boot mode引脚,如果是低电位的话确实会导致芯片无法flash运行。