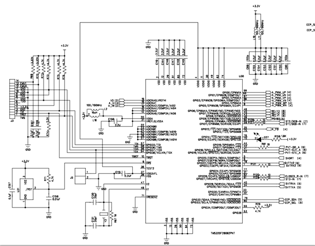
我们用TMS320F28062PNT开发专用变频器已经很多年了,2021年12月发现一批芯片在生产过程中损坏。TI分析坏件结果是高压或者过流造成。
今年又陆续发现在老化过程中,芯片发烫的现象,然后死机,停电后冷却后也可以工作一段时间,还是会死机。(此产品是定型产品一直在产)
到目前已经发现20多例,请支持。

This thread has been locked.
If you have a related question, please click the "Ask a related question" button in the top right corner. The newly created question will be automatically linked to this question.
我们用TMS320F28062PNT开发专用变频器已经很多年了,2021年12月发现一批芯片在生产过程中损坏。TI分析坏件结果是高压或者过流造成。
今年又陆续发现在老化过程中,芯片发烫的现象,然后死机,停电后冷却后也可以工作一段时间,还是会死机。(此产品是定型产品一直在产)
到目前已经发现20多例,请支持。
