
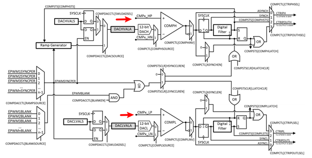
CMP1_HP,CMP1_HN,CMP1_LP,CMP1_LN这几个引脚都是一个口,我配置成下图

那这样A2信号输入后,CMP1_HP和CMP_LP是同一个值吗?

This thread has been locked.
If you have a related question, please click the "Ask a related question" button in the top right corner. The newly created question will be automatically linked to this question.

CMP1_HP,CMP1_HN,CMP1_LP,CMP1_LN这几个引脚都是一个口,我配置成下图

那这样A2信号输入后,CMP1_HP和CMP_LP是同一个值吗?
