This thread has been locked.

If you have a related question, please click the "Ask a related question" button in the top right corner. The newly created question will be automatically linked to this question.

MSP430F6659脱离仿真器就无法正常运行的问题

Other Parts Discussed in Thread: MSP430F6659

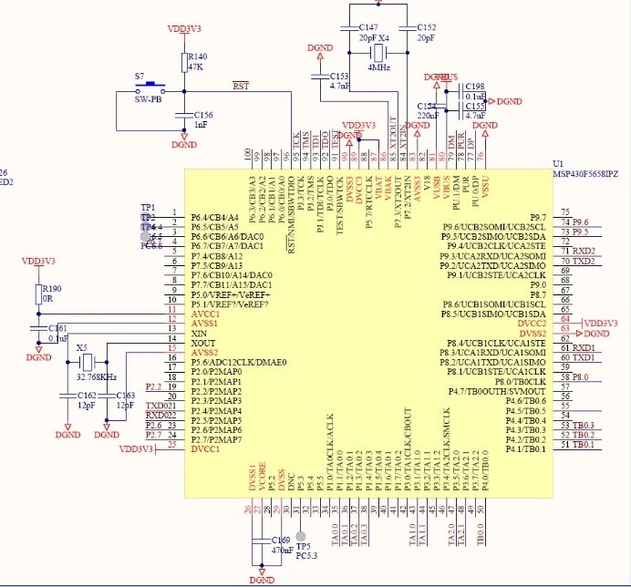
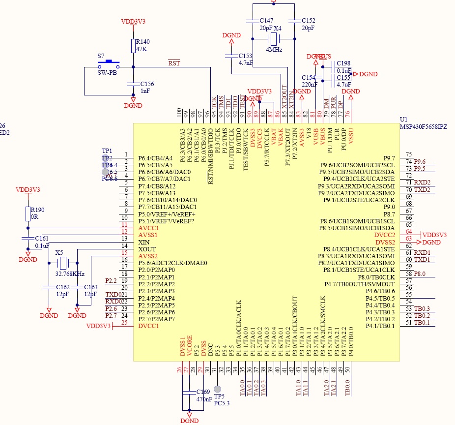
        正在开发一款产品, 用的是msp430f6659, download and debug一段简单的led循环闪烁的测试程序,程序可以正常单步调试和全速运行。但拔掉仿真器并重新上电之后,程序就不能运行了。换句话说,程序可以在ram内跑起来,但不能在flash运行。使用Lite FET-Pro430 Elprotronic烧写固件,板子也不能正常工作。

       调整了复位电路的阻容值来改变复位上拉的斜率,问题依然存在。

       板子电压正常,3,3V;检查了msp430f6659的电源和地的焊接情况,没有虚焊现象。6块板子都存在同样的异常现象。

       原理图详见附件。