Other Parts Discussed in Thread: MSP430F417
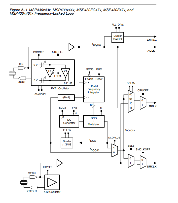
MSP430F417 有内部晶振和外部晶振
1.可以不用外部晶振只使用内部晶振吗
2.我看MSP430F417 内部还有可选的负载电容可以配置,请问内部配置好的负载电容是用来匹配外部晶振的负载电容的吗
This thread has been locked.
If you have a related question, please click the "Ask a related question" button in the top right corner. The newly created question will be automatically linked to this question.
Other Parts Discussed in Thread: MSP430F417
MSP430F417 有内部晶振和外部晶振
1.可以不用外部晶振只使用内部晶振吗
2.我看MSP430F417 内部还有可选的负载电容可以配置,请问内部配置好的负载电容是用来匹配外部晶振的负载电容的吗