This thread has been locked.

If you have a related question, please click the "Ask a related question" button in the top right corner. The newly created question will be automatically linked to this question.

MSP430F6726的RTC问题

Other Parts Discussed in Thread: MSP430F6726

尝试使用MSP430F6726的RTC过程中,直接使用例程(MSP430F673X-RTC_01)或者使用我修改过的代码(系统整体改为由REFO驱动,而不是XT1驱动,因为XT1没能工作),均存在以下问题:

1、由调试过程中的watch可以发现,RTCSEC,RTCDAY等寄存器以及RTCADAY、RTCAHOUR等寄存器均无法写入数据,写入指令执行后其值仍为0。但是RTCCTL0以及RTCCTL1均能够成功写入数据。在写入之前,已进行了RTCCTL0_H = RTCKEY_H指令。

2、RTC中断不工作。RTCRDIFG无法产生。

硬件与软件环境:AUXVCC3接地,XT1未能工作,软件使用CCS6.0

我有以下疑问:

1、MSP430F6726的RTC_C是否依赖于AUXVCC3?因而若没有后备电池,则必须将AUXVCC3连接到VDSYS,而不是GND?

2、RTC_C的时钟源是否必须是XT1?能够在使用REFO的情况下使用RTC_C?

  • 求助啊。。。有人能帮下忙吗

  • 你好,

    关于RTC模块的使用见附件应用手册所示。

    希望对你有帮助。

  • 你好。这篇文档中所阐述的是RTC_A,它使用ACLK或SMCLK作为时钟源。

    然而我所用的单片机中,使用了RTC_C,User Guide中说它使用32.768KHz时钟作为时钟源。但MCU中的32768HZ时钟源有两个:REFO和XT1。而RTC寄存器中又没有看到选择时钟源的寄存器。

    再看了一遍User Guide,发现里面好像是说时钟源只能是XT1,是这样吗?

  • 你好,

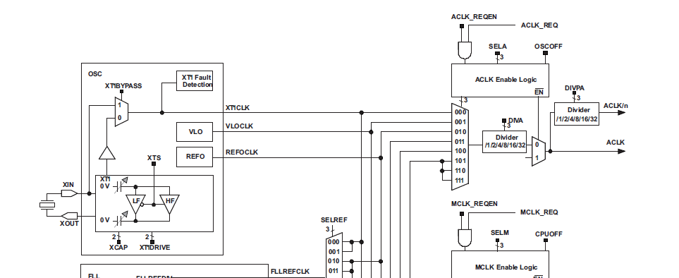
    如下面框图所示,RTC时钟来源可以由ACLK和SMCLK决定:

    如果你使用内部REF作为ACLK时钟,可以作为RTC时钟源,但是不推荐客户这样使用,RTC要求非常准,但是内部REF时钟是不准确的,随着温度变化,差别会很大,RTC失去意义。

    所以RTC一般都是在XT1外挂32768的外部晶振,目的就是为了保证精度。

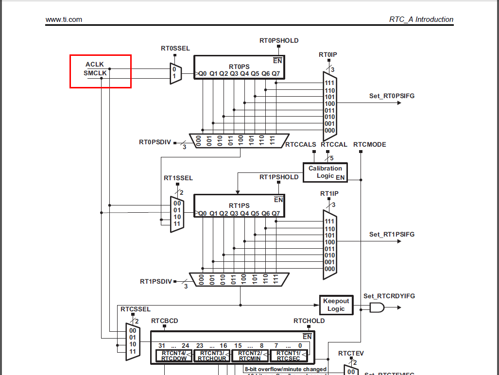
  • 你好!你所贴出的框图我在MSP430F5xxx、6xxx User Guide中第567页找到了。但那讲述的是RTC_A的框图。RTC_A适用于一部分MSP430器件。但我所用的MSP430F6726使用的是RTC_C,框图在第623页。

    该框图中,使用的时钟源是 from 32kHz Crystal Osc.。这个是指XT1吗?

    我对RTC精度要求并不高。另外我只是在XT1挂掉的情况下,希望RTC能够继续通过REFO运行。

  • 你好,

    32KHZ Crystal Osc的来源还是ACLK或者SMCLK,

    XT1或者REF0是作为ACLK的时钟源。

    按您的需求,如果XT1挂掉,你可以马上把ACLK切换到REF0上去,这样RTC就可以正常运行了。

    相关文献见下图所示:

  • 你好,

    关于RTC时钟的运用,论坛里有一个帖子应该可以帮到你:

    http://www.deyisupport.com/question_answer/microcontrollers/msp430/f/55/t/46216.aspx

  • 你好!

    关于32kHz来源可以是ACLK或是SMCLK,你可以指出在哪一份文档中的那一页表明了吗?

    你刚刚给我发的论坛的帖子确实非常有用,不过它还是没有解决时钟源问题……

    另外我在User Guide的624页发现了这样一句话:

    RT0PS is sourced from the low-frequency oscillator XT1.The output of RT0PS /256(Q7) is used to source RT1PS. RT1PS is further divider and the /128 output sources the real-time clock counter registers providing the required 1-second time interval.

    按这句话的意思来看,RTC时钟源好像只能是XT1?

  • 楼主,

        你好,对于你的两个问题,

    1、MSP430F6726的RTC_C是否依赖于AUXVCC3?因而若没有后备电池,则必须将AUXVCC3连接到VDSYS,而不是GND?

    是的,RTC_C模块是需要专门的AUXVCC3供电的.

    2、RTC_C的时钟源是否必须是XT1?能够在使用REFO的情况下使用RTC_C?

    是的,RTC_C的时钟源就是外接32 K的晶振.

  • 好的。。。谢谢了。。。。。