请教各位大神:
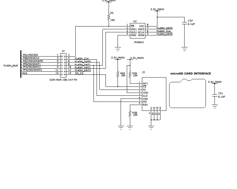
自己做的一块TM4C1294NCPDT的板子,需要上位机通过USB控制板子,实现读取SD卡等操作。其中USB电路仿照EK-tm4c129xl上的电路,电路中U22(TPD4S012)封装太小了没有焊上(这个TPD4S012在USB电路中是必须的吗?)。下载usb_dev_bulk例程,收、发测试都没有问题。然后我在这个例子的基础上加入了读取SD卡的操作。
1、用5V电源供电时,程序可实现初始化、读SD卡、然后进入while(1).。功能都可实现,程序没有什么问题。
2、用USB供电时,程序卡在读SD卡的函数中,跳不出来。而且,电脑识别不了USB设备(设备描述符请求失败)。
问题:1、TPD4S012在USB电路中是必须的吗?
2、USB 和SD卡是冲突的吗?两个总是不能共存。编程上有什么建议吗?
下面是我的部分电路图。。谢谢!!!
