This thread has been locked.

If you have a related question, please click the "Ask a related question" button in the top right corner. The newly created question will be automatically linked to this question.

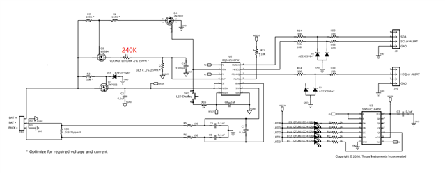
BQ34Z100: 配置电量计,添加5个LED

Part Number: BQ34Z100


电池组是 三串三并的锂电池,电压是 3.7~4.2v 电荷量是 2800mAh






为什么soc 是 50% 但是还是点亮五个灯