This thread has been locked.

If you have a related question, please click the "Ask a related question" button in the top right corner. The newly created question will be automatically linked to this question.

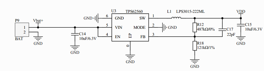
关于TPS62560工作不正常

Other Parts Discussed in Thread: CC2541, TPS62560, TPS62740

求FAE帮忙,

我现在用的是TPS62560,其电路连线如附件所示,使用此DCDC给CC2541供电,正常是3.6V,但是遇到的问题是,降压工作都很正常,但是当电池电压低于3.8V的时候,部分电路会出现CC2541连接就会时断时续的情况。并且经过确认问题原因与此DCDC有关系。

请问目前这颗芯片是不是已经停产了,我们这边拿货价很高,是不是买到的产品是有问题的产品。

我们的产品就是一款使用锂电池供电的小型穿戴设备,峰值电流也就是20MA,请问有没有替换的方案,目前关于可穿戴设备最常用的电池管理方案是那些。

多谢!