This thread has been locked.

If you have a related question, please click the "Ask a related question" button in the top right corner. The newly created question will be automatically linked to this question.

求推荐电源芯片,使用的是OPA656U

Other Parts Discussed in Thread: TPS54060, OPA656

专家您好,

 正在使用OPA656U作为传感器的调理电路的放大器,由于在户外使用,不方便

接交流电,没有使用变压器获取正负电压。

 对于OPA656U的供电,采用的是两个12V的蓄电池,串联后将中间点作为地,然

后上下点分别给7805和7905供电。

  这样的电路去年已经用过一段时间,存在的问题是偶然会烧保险丝,保险丝

的位置接在蓄电池的供电回路中,大部分时候电路能够正常工作。

  最近准备把板子改进下,想把板子改为单电源供电,在板子上增加几个DC-DC

转换模块,这样就可以直接用一个蓄电池或者两个蓄电池并联供电。

  调查了下,发现能够实现正电源变换到负电源的芯片多为开关型,由于开关

型电源芯片的纹波和高频干扰,担心会对运放产生影响,所以电源的设计比较困

惑,麻烦专家百忙中能够解惑。

  谢谢!

  • zhidong jiang,

      可以使用DC/DC TPS54060或其他DCDC+两个LDO TPS7A4901及TPS7A3001的方式,得到正负电压, 可应用于对噪声敏感及高精度的器件。www.ti.com.cn/.../slvt170.pdf

    详细的原理图:www.ti.com.cn/.../sbvr004.pdf

  • 谢谢您的回答,还有点疑问!

    我的输入是12V的蓄电池,为什么 要用输入范围至60V的TPS54060呢?是什么考虑呢?

    两片线性低压差芯片在DC-DC和运放OPA656之间,是不是能降低开关电源芯片的高频干扰和纹波的影响?

  • 谢谢您的回答,还有点疑问!

    我的输入是12V的蓄电池,为什么 要用输入范围至60V的TPS54060呢?是什么考虑呢?

    两片线性低压差芯片在DC-DC和运放OPA656之间,是不是能降低开关电源芯片的高频干扰和纹波的影

  •      TPS54060的主要目的十分是为承受高压瞬态,保证电路板的安全?其只是保证了正电源回路的安全,负电压回路怎么办?

       能否使用单电源供电,即用一块蓄电池或者两个蓄电池并联?对于“DCDC+两个LDO TPS7A4901及TPS7A3001的方式”的方案不是很理解,因为DC-DC模块出来的是正电压,而LDO TPS7A4901和TPS7A3001的输入分别为正电压和负电压,

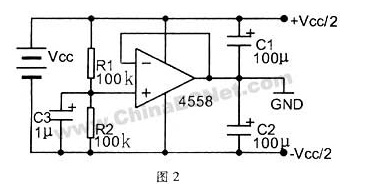
  • 在网上看到这个电路,利用运放将输入VCC变换为+VCC/2和-VCC/2 ,现在单个蓄电池供电电压为12V,如果能采用该方案,则系统的供电就非常简单

    两个问题:

    1、经过运放得到的+VCC/2和-VCC/2是否需要稳压调整? 如果要调整的话就只能使用低压差稳压芯片了?

    2、蓄电池用一段时间后,电压可能会掉下来,OPA656的工作电压 典型值为+-5V 最大值+-6V,如果蓄电池电压低于10V 的话,则运放可能不能正常工作

     近期在改进电路,盼请回答!

  •     TPS54060与耦合电感产生正负的两路电压,不是DCDC只提供正电压,正负两路电压再分别用LDO进行稳压及降低电压纹波。TPS54060的输入电压为3~60V,即使使用单个蓄电池供电,蓄电池的截止电压一般为8~9V左右,也能保证TPS54060能够产生正负5几点伏的电压,从而通过LDO得到正负5V电压。