Part Number: BQ76952
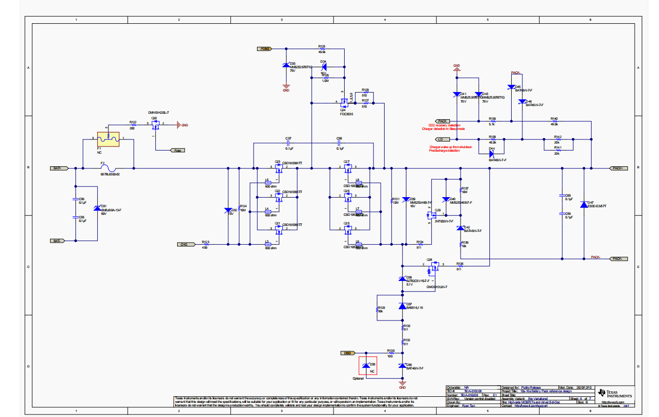
Based on the design of the TI BQ76952 charge pump driving MOS circuit, actual tests have revealed that the delay when DSG turns off the MOS is relatively large, and the main MOS turns off slowly. How can this delay be reduced in such a situation?
The waveform of the test is the main discharge MOSFET Q15 and Q17.


