This thread has been locked.

If you have a related question, please click the "Ask a related question" button in the top right corner. The newly created question will be automatically linked to this question.

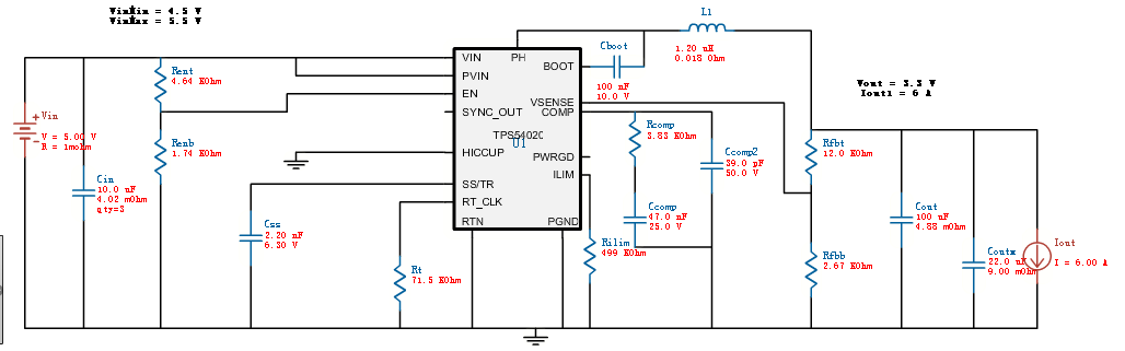
TPS54020 5v-3.3V 5A电源不能正常工作

请教各位大侠:

我用WEBENCH设计了个电路,5v输入3.3V 5A输出电源,但是电源输出电流达不到要求,一加上负载电源就鸣叫,电压被拉低。负载电流并不大,2A都不到。但是使用8V以上输入就能够正常工作。为何呢?这款电源能做低压差的DC-DC吗?