在使用BQ510103无线充电芯片时,按照500mA的充电电流,明显感觉无线充电部分在发热。请问这个是正常现象吗?
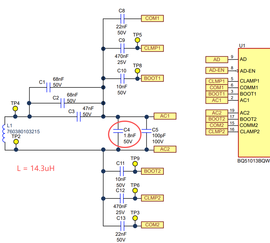
按照参考设计,在前端的天线与电容的匹配电路中,没有看懂是怎么匹配的。请问前端线圈电感与电路电容,是否满足以下关系:

即中心的谐振频率,是和这里的电感电容有关系的。从参考设计和选用的器件可以知道:L = 14.3uH C大致是1.9nF,这里天线并联电容应该是(C1+C2+C3)//(C4+C5) = (68+68+47)//(1.8+0.1) = 1.9nF
f= 1/(2π(LC)^1/2)=1/(2*3.14*根号下[14.3*10(-6次方)*1.9*10(-9次方)])= 966KHz
理论上Qi的谐振频率在100KHz吧,这里相差的数值巨大,我感觉肯定是我算错了,但是不知道应该如何计算。

从示波器观察:AC1 AC2两端 天线上的波形,大约是140KHz
下图是是用的充电器:

请问应该如何去选择无线充电的线圈,如何匹配电容,正确使用BQ51013C,降低充电发热。谢谢。