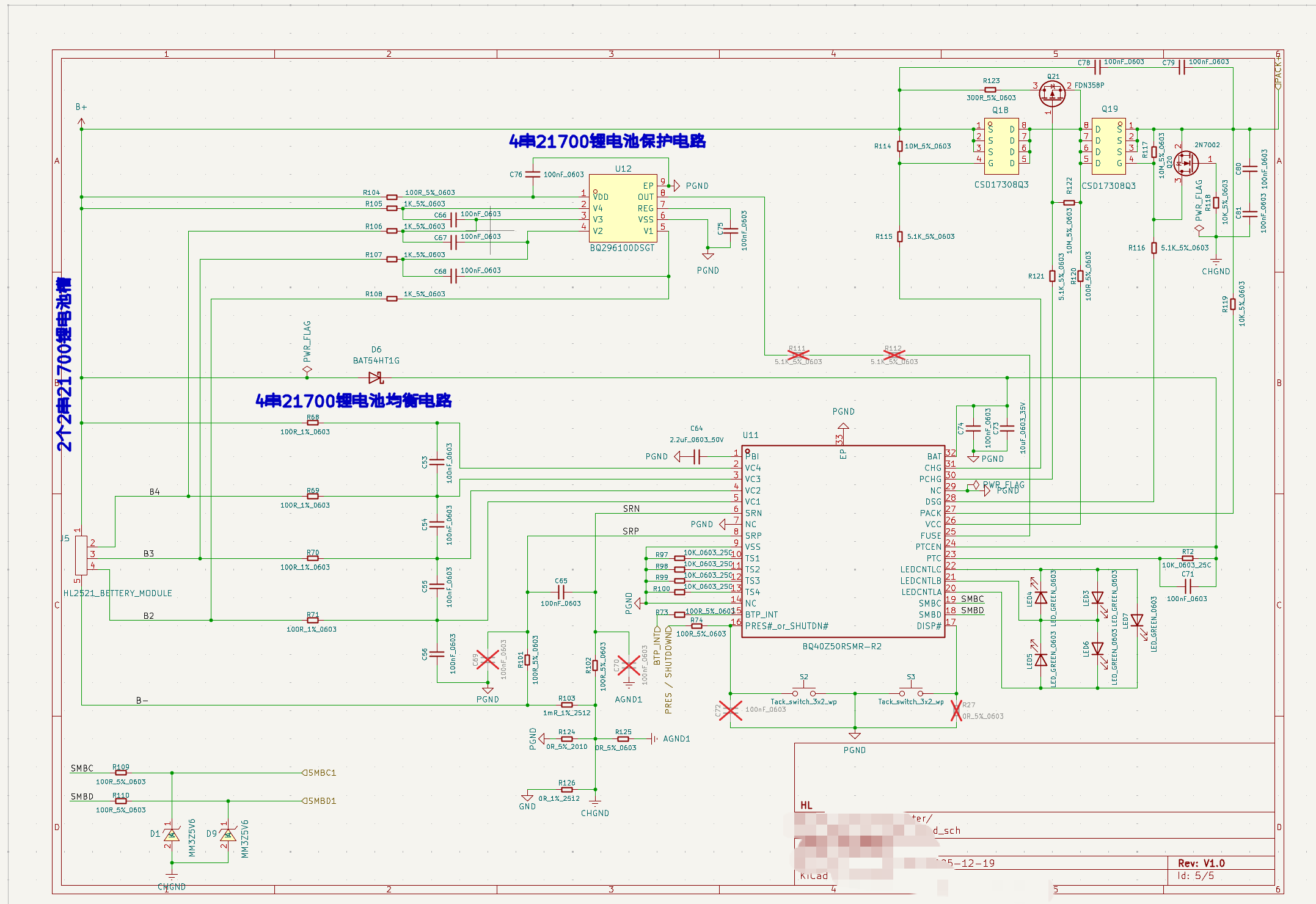
Part Number: BQ40Z50-R2
四节电池应用,四节电池电压分别是 3602mv 4185mv 3631mv 4061mv ;寄存器已配置为四节电芯应用;插入充电器能正常充电,但是电压较高的那节电芯,总是到了4300mv,就触发了过压报警,我想问的是电池均衡为什么没有把这四节电池电压均衡到基本一样的电压呢?
Part Number: BQ40Z50-R2
四节电池应用,四节电池电压分别是 3602mv 4185mv 3631mv 4061mv ;寄存器已配置为四节电芯应用;插入充电器能正常充电,但是电压较高的那节电芯,总是到了4300mv,就触发了过压报警,我想问的是电池均衡为什么没有把这四节电池电压均衡到基本一样的电压呢?