This thread has been locked.

If you have a related question, please click the "Ask a related question" button in the top right corner. The newly created question will be automatically linked to this question.

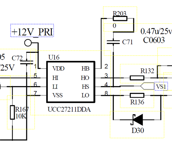
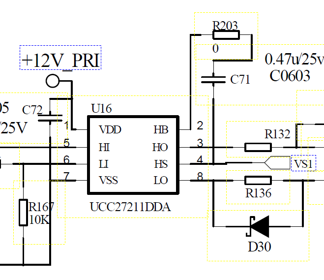
UCC27211低端引脚有输出,高端没有输出是怎么回事?

Other Parts Discussed in Thread: UCC27211

UCC27211的两路输入信号没问题,低侧输出没问题,高侧输出为零?