Other Parts Discussed in Thread: TPS54160A
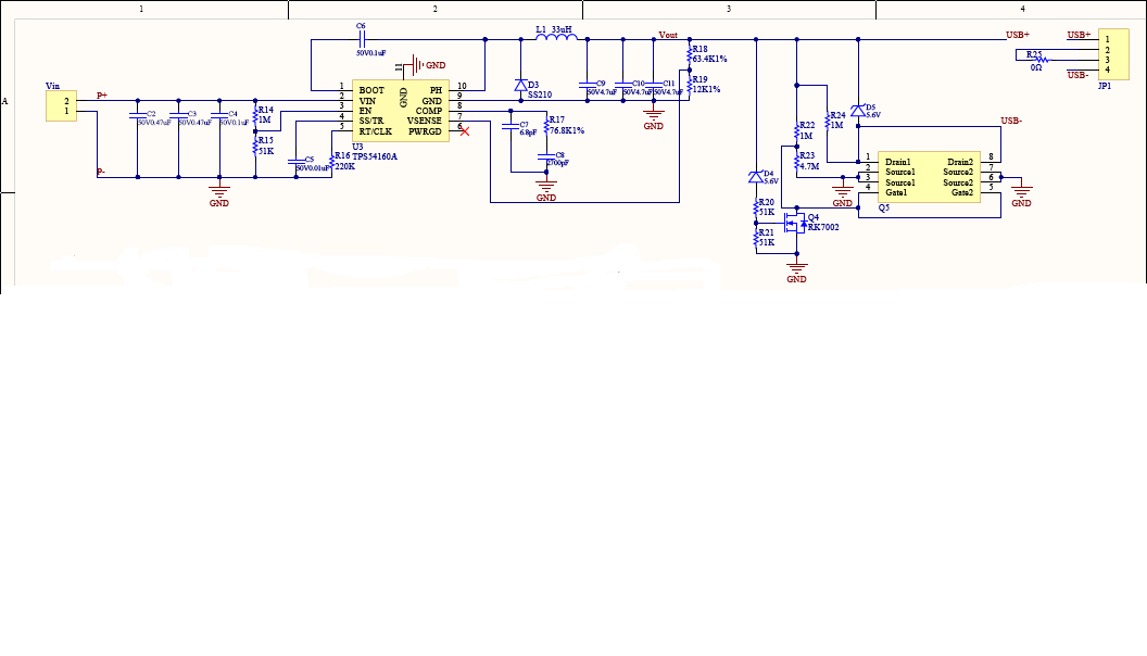
使用TPS54160A设计的30V-42V输入 5V1A输出 ,在测试时,将数字电源设置为42V1A,然后开启电源,将电源正负夹子分别夹在降压板正负极导线上,出现了IC损坏的现象。而且是大批量的 Vin和GND引脚短路。可以确定在测试的过程中未发生正负极短路的情况。各位是否有这方面的经验可以分享,谢谢!
生正负极短路的情况。
This thread has been locked.
If you have a related question, please click the "Ask a related question" button in the top right corner. The newly created question will be automatically linked to this question.
你的开关频率选的是2.2MHz?
54160的最小导通时间是130ns,在高压差的时候,42V转5V会有一定难度。你试着使用更小的开关频率看看300k或者500k,验证问题。
谢谢。