Hi sir,
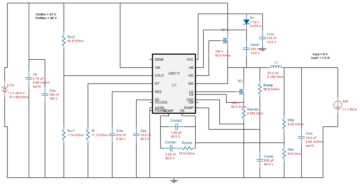
我的客户目前使用的LM5117与RENESAS MOSFET设计的电源,但目前RENESAS MOSFET进入EOL!
我建议客户使用CSD19531Q5A来取代它,但目前测试结果发现在相节点部分会有双脉冲现象如下图,
以肖特基二极管与原RENESAS MOSFET验证后,并不会有此现象,可以帮忙确认是什么问题吗?谢谢.
规格如下
输入电压48V
输出8V/ 1.5A
双脉冲问题在直流负载0.5A〜1.5A
RENESAS MOSFET
Schematic
Waveform
Purple : Vout
Yellow : SW
RENESAS MOSFET



