This thread has been locked.

If you have a related question, please click the "Ask a related question" button in the top right corner. The newly created question will be automatically linked to this question.

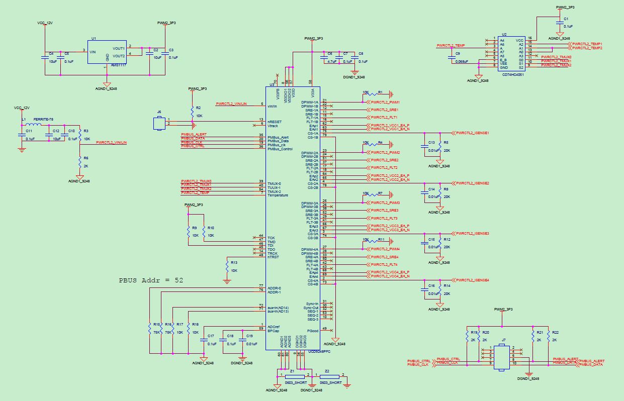
ucd9248+ptd08d210配置问题

Other Parts Discussed in Thread: UCD9248, PTD08D210W

原理图如上,配置的时候调通过一次,之后再用原来配置文件电压变成了0V,为什么啊? 各位大神