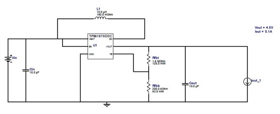
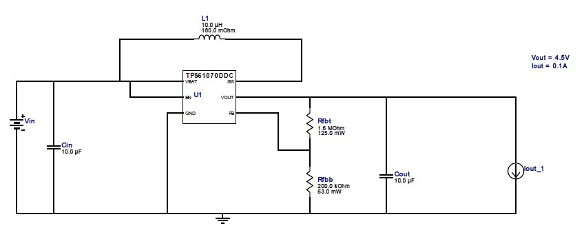
使用TPS61070设计从1.5V升压到4.5V的发现输出电流只有80MA,如果想要达到400MA输出电流的话需要5组同样电路并联,请问TI工程师可以直接并联输出吗?如果不行如何设计均衡电流电路让这几路在带负载情况下各组电流均衡?(从其它方面了解到会产生输出不平衡问题)希望电路最简化,谢谢!如下为单组电路图:
This thread has been locked.
If you have a related question, please click the "Ask a related question" button in the top right corner. The newly created question will be automatically linked to this question.
使用TPS61070设计从1.5V升压到4.5V的发现输出电流只有80MA,如果想要达到400MA输出电流的话需要5组同样电路并联,请问TI工程师可以直接并联输出吗?如果不行如何设计均衡电流电路让这几路在带负载情况下各组电流均衡?(从其它方面了解到会产生输出不平衡问题)希望电路最简化,谢谢!如下为单组电路图:
Hi
如上, TPS61029是可以实现的: http://www.ti.com.cn/cn/lit/ds/symlink/tps61029.pdf
TPS61029可以达到 最小输入1.5V时输出5V 400MA吗?
Hi
您可以再TI官网申请样片,不过画PCB做的样板测试下。
电流均衡是不可能的,几个并也不经济。TI有一堆可以用单颗实现你的要求的料,用用WEBENCH试试