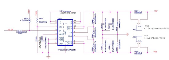
如下电路,VSP VSN设定输出是+/-5.5V,输出时会有200多mA的瞬间大电流(负载电路引起的,是正常的),大约持续3us,这个大电流会把VSP VSN电压抬高1点多V,测量发现FB pin处电压同时也会被抬高到1.38V,请教一下高手如下电路哪里设计的不太合理会导致瞬间大电流会把输出电压抬高,谢谢
This thread has been locked.
If you have a related question, please click the "Ask a related question" button in the top right corner. The newly created question will be automatically linked to this question.
如下电路,VSP VSN设定输出是+/-5.5V,输出时会有200多mA的瞬间大电流(负载电路引起的,是正常的),大约持续3us,这个大电流会把VSP VSN电压抬高1点多V,测量发现FB pin处电压同时也会被抬高到1.38V,请教一下高手如下电路哪里设计的不太合理会导致瞬间大电流会把输出电压抬高,谢谢