Dear,
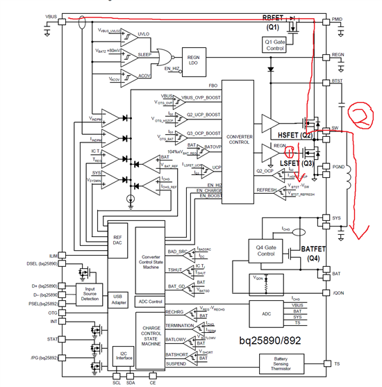
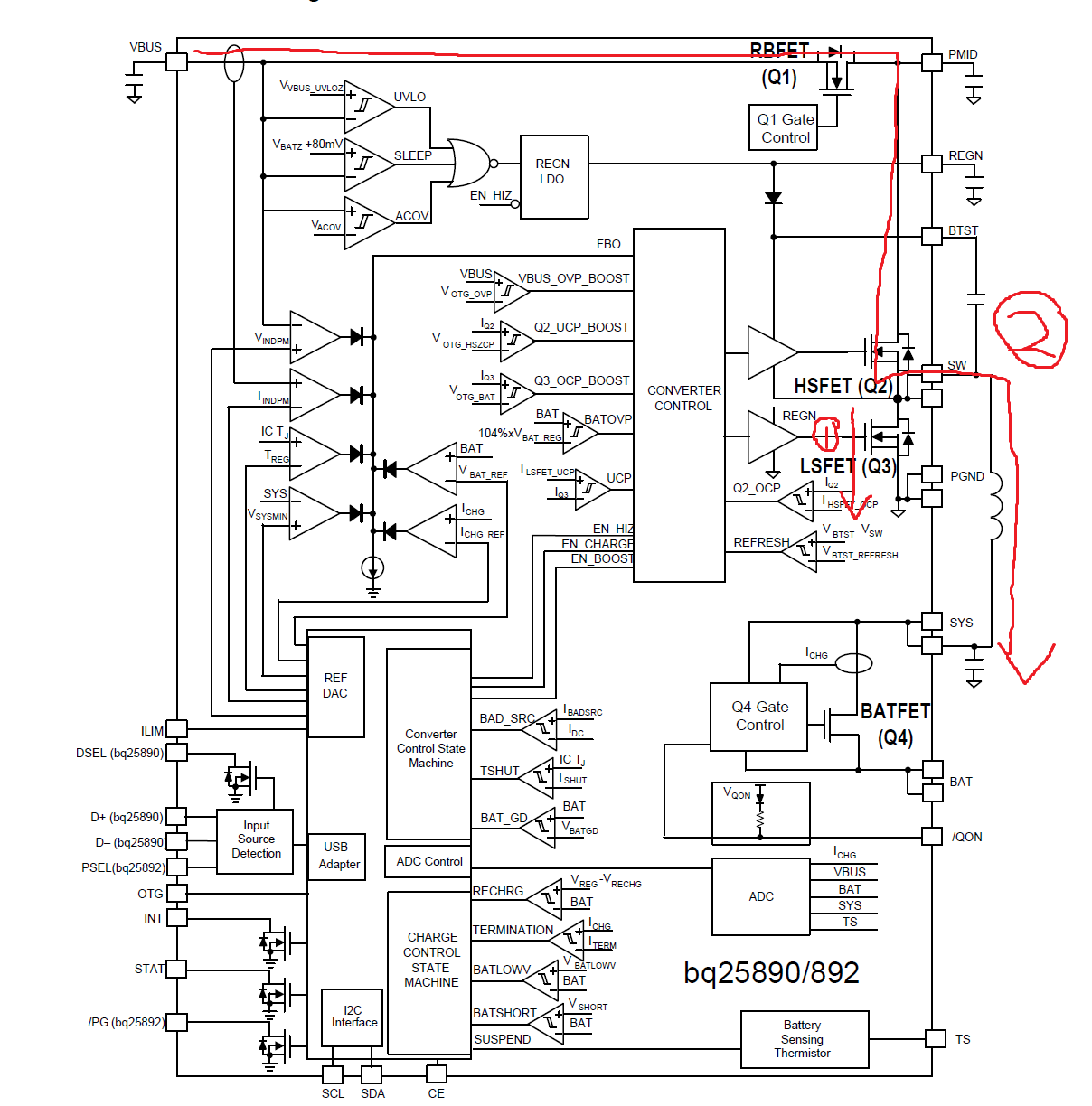
我请教一个问题,用9v充电器充电时,想知道SW脚为什么是9v?充电开始时是下管导通,SW是0v,下管关闭后,SW应该是VPH电压,如何达到9v,?谢谢
This thread has been locked.
If you have a related question, please click the "Ask a related question" button in the top right corner. The newly created question will be automatically linked to this question.
Dear,
我请教一个问题,用9v充电器充电时,想知道SW脚为什么是9v?充电开始时是下管导通,SW是0v,下管关闭后,SW应该是VPH电压,如何达到9v,?谢谢
谢谢你的解释,但是我有一点很困惑,是上管导通后,SW才是9v,那么上管是如何导通的呢,谢谢。
上管的导通是通过内部的栅极驱动电压, 而上管何时导通由输出的反馈控制,以达到能量平衡。你可以参考伏秒积定理
谢谢,据我了解上管的栅极电压是通过自举电路实现,开始充电时下管导管,SW脚电压为0,这时通过内部LDO给Cboot电容通电,Cboot电容达到5v,下管断开,但是只有当下管断开后sw脚电压为9v,栅极电压才能达到5+9=14,上管导通。但是其中sw脚如何达到9v,这点还是不明白。
上管导通,Vin和SW点相通,SW点电压就基本等于输入电压(忽略mos管上的导通电阻)