This thread has been locked.

If you have a related question, please click the "Ask a related question" button in the top right corner. The newly created question will be automatically linked to this question.

UCC2897A TL431反馈电路中的问题

Other Parts Discussed in Thread: UCC2897A

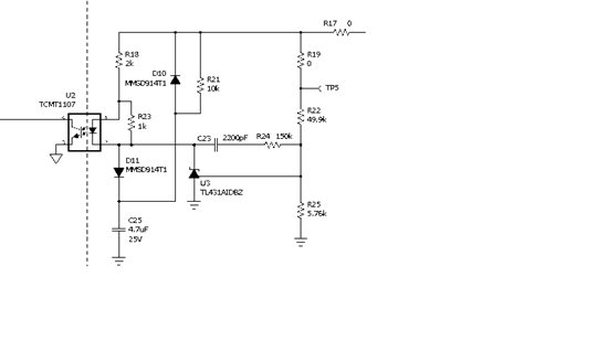
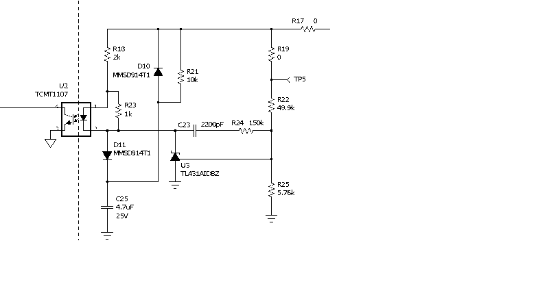
请问:在TI给出的UCC2897A的举例电路中 R21 D10 D11 C25 是起什么作用?

谢谢。