在调试该电源组合模块的过程中,使用fusion digital power designer v1.8.230版本,用firmware download tool下载“.x0”的program和data烧录文件后,运行该GUI的ONLINE模式,监控界面显示输入电压和温度都有,但是没有输出电压和输出电流,status registers有黄色警告“output off”和“powergood#”的提示,其他都是ok。此时,监控数据曲线还在同步,虽然没有输出电压和电流,但是可以看到曲线在0值附近向右延伸。当我拉高control line的电平以后,所有的监控数据曲线全部停止同步,停留在原来位置不动了,效果和我断开总电源差不多,status registers黄色警告“output off”和“powergood#”的提示依然存在,其他都是ok。发现该情况,我尝试清空配置重新使用firmware download tool下载“.x0”的program和data烧录文件,发现元器件被锁死,不能发现器件,烧录与锁死界面如下图:
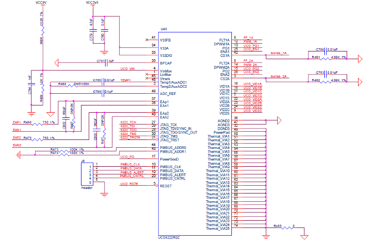
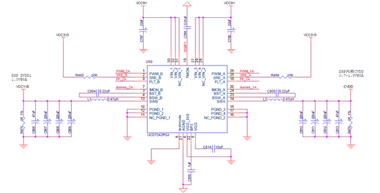
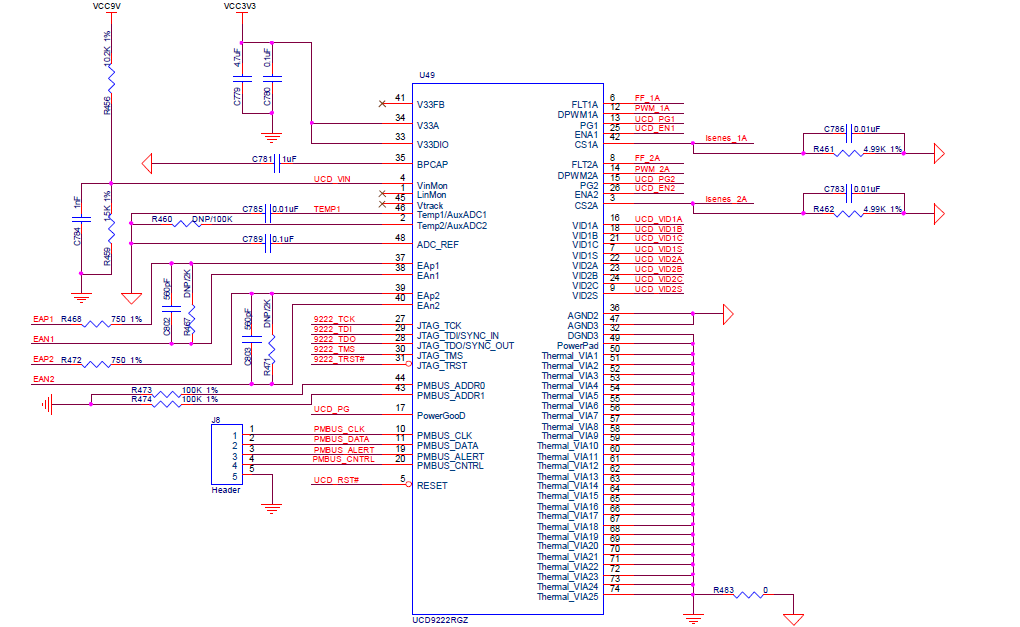
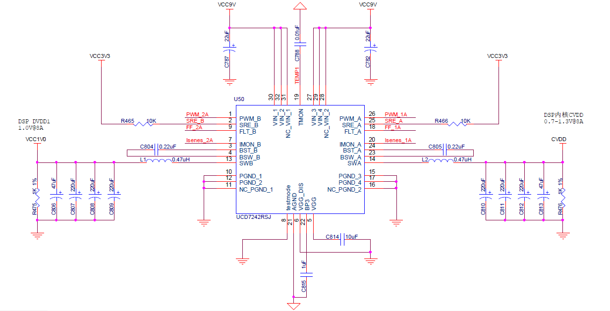
烧录文件是通过TI官方的6678开发板TMDXEVM6678L EVM套件里面提供的GUI工程Export生成出来的,硬件设计也和开发板基本相同,相关原理图如下图:

