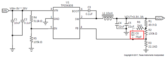
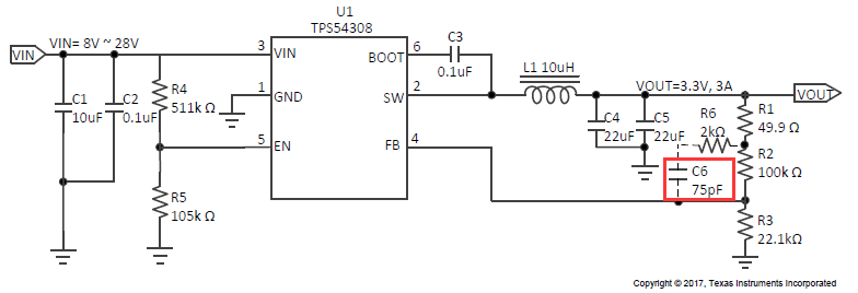
TPS54308 DATASHEET参考设计中,C6电容为75pF。但是下文的推荐值却是75uF,根据DATASHEET中公式计算,应该为75pF,请管理员反馈给TI相关人员。
This thread has been locked.
If you have a related question, please click the "Ask a related question" button in the top right corner. The newly created question will be automatically linked to this question.
TPS54308 DATASHEET参考设计中,C6电容为75pF。但是下文的推荐值却是75uF,根据DATASHEET中公式计算,应该为75pF,请管理员反馈给TI相关人员。