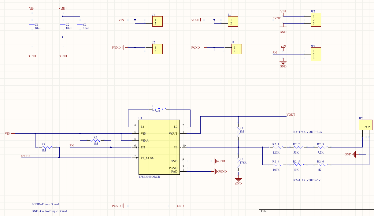
本方案是锂电池升压降压方案,选用TPS63000,输出3.3和4.2v。
原理图和pcb几乎是抄TI的TPS63000评估板,但实际发现空载时输入电流较大,大概70mA。
还有一点需要注意,第一次上电的时候,空载时输入电流大概5mA,后来加了大概100欧的负载,输入大概700mA,测试了大概几分钟。
后来把负载断开,空载时输入电流无法回到5mA,一直保持70mA,断电又上电几次,还是不行。
测试了其他厂商的升压方案,空载输入电流0.8mA,也比63000的空载电流小的多。
请教TI的工程师解惑。


