This thread has been locked.

If you have a related question, please click the "Ask a related question" button in the top right corner. The newly created question will be automatically linked to this question.

关于SP605的电源设计疑问,UCD9240相关问题

Other Parts Discussed in Thread: PTD08A010W, UCD9240, INA333

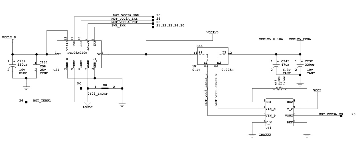
SP605是xilinx公司提供的一个spartan-6的参考设计,其电源都是基于TI的方案,主电源用UCD9240+PTD08A010W的方案,但是我发现电流监控设计并没有利用PTD08A010W的第6脚IOUT,而是利用了一个电流采样电阻(原理图上画的是4个脚),然后用一个INA333进行驱动,用INA333的输出反馈到UCD9240的CS-1A管脚,我看了下UCD9240的datasheet,正好里面提供了一个参考设计,但这个参考设计就没有用INA333,而是直接将PTD08A010W的第6脚IOUT接到UCD9240的电流监控管脚。请专家指点xilinx的设计是否多余,或者是xilinx的设计更为合理

  • weihua,

    你好,仔细核对了下你的原理图,你电路中的Vo输出接了两个引出端,VCC1V5和VCC1V5_FPGA,这两个引出端应该是给不同的外设供电,如果采用PTD08A的Iout端信号,此信号为两个引出端总的电流。你的原理图中的电阻采样的是VCC1V5_FPGA端流出的电流,我想SP605只是想做VCC1V5_FPGA的过流保护,对VCC1V5没有过流保护要求。

    如果要做两个引出端总的电流的过流保护,可采用TI的方案,将Iout信号直接接到UCD9240的CS端。

  • Weihua,

       PTD08A010W的电流监测是利用PTD08A010W的 DCR来实现的,其采样的精度的范围较广。Xilinx公司采用离散的INA333放大器可实现更高的精度,如果对电源的供电精度要求不高的情况下,或者说大部分的客户是没有使用INA333.