This thread has been locked.

If you have a related question, please click the "Ask a related question" button in the top right corner. The newly created question will be automatically linked to this question.

LM5025B同步整流驱动电路

Other Parts Discussed in Thread: LM5025B

目前正在使用LM5025B调试一款100W隔离DC-DC电源。

规格:输入18-48V,输出5V/20A。

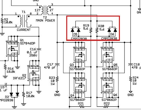
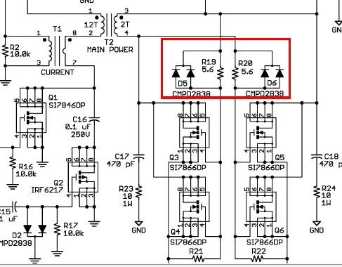
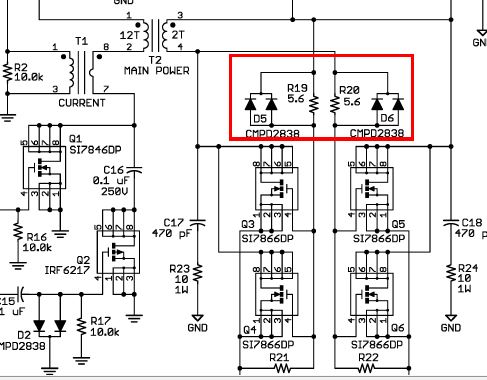
问题:1,目前同步整流不能正常工作,第一版按照Datasheet推荐线路,发现R19位置应该是个电容才对,不然会有直流平台。实际发现这个线路不能正常工作。续流管Q5,Q6驱动基本没有。不知是参数不对还是没有调好。

2,第二版同步整流加了互补电路,变压器抽出一绕组驱动。具体如图2所示。理论分析是OK的,目前还在调试,不知这个线路可以吗?有没有更好的线路推荐?

3,变压器及储能电感均采用集成变压器,及磁芯扣在PCB上,目前变压器匝数为2:1,储能电感的走法为正极穿过磁芯,从负极回来,相当于正负各串一个电感,两个电感串联。不知是否可以?如下图所示: