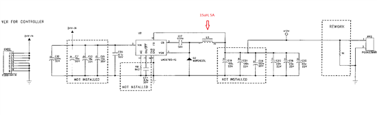
请教TI电源大神一个问题,关于LM2678这颗料,固定输出12V的版本 在带1A 负载时可到11.9V,负载加重到3.2A及以上时,输出电压被拉低到10.5V左右。
用于测试的负载是电阻负载,输入源也是电流源,提供电流的能力没问题的,加重载时 输入源也没见到被拉低电压。
电感换过22uH, 33uH, 对输出电压没什么影响,电感电流也是够大的。
手工做了个demo board, 表现和自己layout的板子一样,初步排除layout影响。
请问还可以从哪里去分析? 反倒是觉得和芯片的版本有点关系,有一批板子在加重载的时候是11.5V左右,没有掉的非常厉害,最新一批在Digikey买的芯片才会出问题,已做过交叉验证试验,不良跟着芯片走。
