This thread has been locked.

If you have a related question, please click the "Ask a related question" button in the top right corner. The newly created question will be automatically linked to this question.

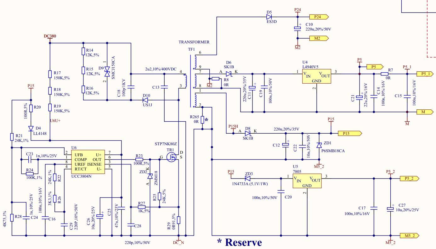
UCC3804 6脚输出为什么要加稳压管

Other Parts Discussed in Thread: UCC3804

工程师你们好,ucc3804的6脚输出经过100欧电阻后,为什么要加个稳压管ZMM18,为什么选18伏这么高?