Other Parts Discussed in Thread: TPS2378, PMP9676
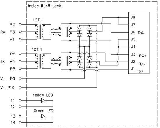
我的设备中使用了TPS2378,如下图所示
网口插座接口如下图连接
插座结构图如下
我遇到的问题是:
我的PD设备1接入POE交换机后测得的PSE给出的电压为51V,
我的PD设备2接入POE交换机后测得的PSE给出的电压为36V,
拔掉设备1的网线,设备2会掉电重现上电。拔掉设备2的网线,设备1不会掉电。
就是拔掉先连接交换机的设备的网线,其他连接交换机的设备都会断电重启。拔掉后插入交换机的网线不会对其他设备造成影响。
后插入交换机的设备,交换机给出的电压为36V,实际上36V并不是交换机PSE的工作电压。POE交换机是其他厂商的设备。
如何处理请朋友们给点建议,谢谢!


