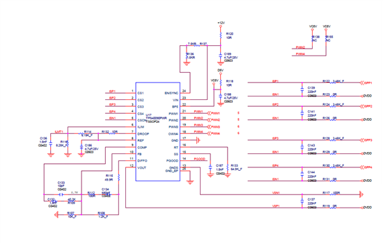
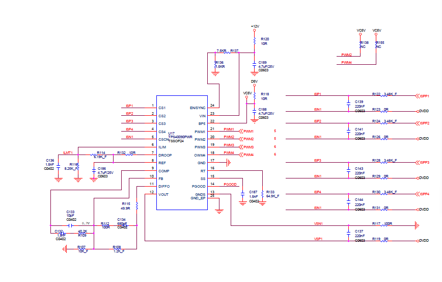
使用此芯片做四项输出,输入和使能都有,但PWM没有输出,一般会是什么原因导致的?
This thread has been locked.
If you have a related question, please click the "Ask a related question" button in the top right corner. The newly created question will be automatically linked to this question.
Hi
EN脚电压建议大于2.5V(改EN分压电阻)
再确认BP5有5V输出,RFE有0.7V,
做启动,至少有瞬间PWM, 如果要持续,需要完整的电路,并且没有触发保护。