有没有将5V转54.84V直流高压的插针式芯片电路推荐?
拜托了,急急急
This thread has been locked.
If you have a related question, please click the "Ask a related question" button in the top right corner. The newly created question will be automatically linked to this question.
Hi
是不是要PIN脚在芯片外,容易用烙铁焊接的吗? 类似于LM3478/81这类升压芯片可以的,PIN脚也在芯片外。
插脚式芯片越来越少了,现在一般还是QFN较多,用热风枪焊接非常容易。
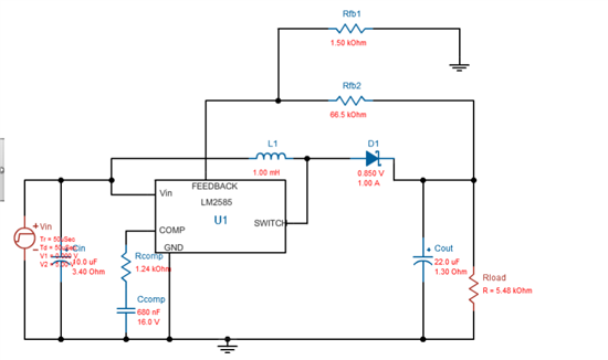
那使用LM3478/81有没有可以推荐的电路呢?
输入5V,输出54.84V,输出电流小于10mA
因为WEBENCH里面的MOS管有限,所以没法生成电路,你可以看下40Vout的方案,然后换下管子,根据数据手册优化参数,在TINA软件里面仿真
tina的仿真模型见链接http://www.ti.com.cn/product/cn/LM3478/toolssoftware
WEBENCH暂时并不是完全完善,这个暂时生成不了,可以参照EVM 来设计,谢谢。