This thread has been locked.
If you have a related question, please click the "Ask a related question" button in the top right corner. The newly created question will be automatically linked to this question.
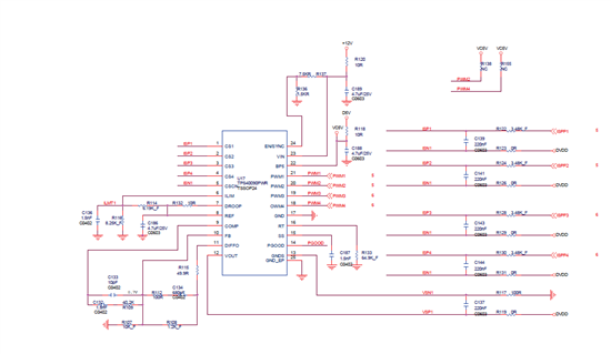
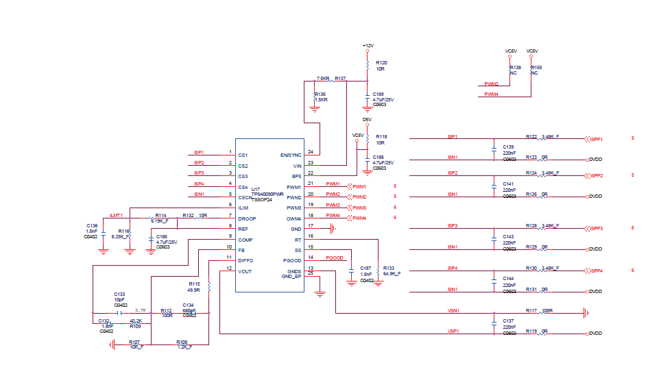
请各位大神帮忙确认芯片周围参数,PWM输出的必要条件是什么?
亲;是否方便上传下你的电源PP?
Hi
EN脚电压建议大于2.5V(改EN分压电阻)
再确认BP5有5V输出,RFE有0.7V,
做启动,至少有瞬间PWM, 如果要持续,需要完整的电路,并且没有触发保护。