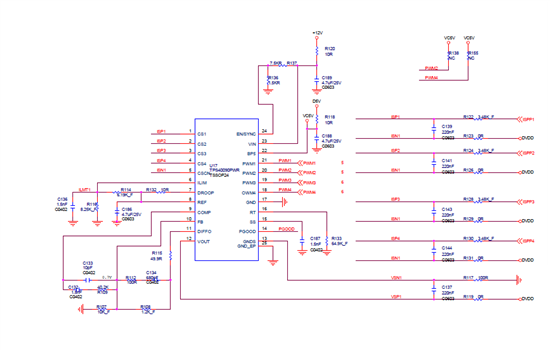
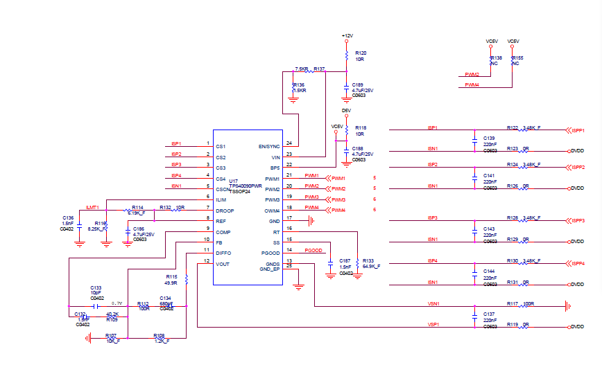
四项只能带载80A,帮忙确认电流的计算公式
This thread has been locked.
If you have a related question, please click the "Ask a related question" button in the top right corner. The newly created question will be automatically linked to this question.
Hi
4相控制,带载能力还要取决于你buck芯片的带载能力。
(你采用的是内置MOS的的Buck转换芯片,或不如外部MOS的电流做的大。)