This thread has been locked.

If you have a related question, please click the "Ask a related question" button in the top right corner. The newly created question will be automatically linked to this question.

脉冲电源

Other Parts Discussed in Thread: LM5118, NE555, UCD3138

你好,我公司需要一批这样的控制电源,有5V与24V,以下是该产品的相关驱动电路产品说明:

-

24 vdc power supply (20 watt min.) to the supply spike voltage

-

3.5 vdc power supply for hold voltage (2 watt min.)

-

Source of on-off control signal

The spike and hold driver provides the proper waveform for safe, repeatable operation of the  VHS valves. The user only needs to supply the power supplies and control signal. This driver will apply the spike voltage and then drop it to the required hold voltage. VHS valves require a spike and hold supply (h-wave). If the voltage is not reduced after the initial spike, the valve’s coil will over heat, permanently damaging the valve.

The Spike and Hold Driver  provides a safe operating voltage profile for the VHS valves by converting a TTL control signal into a spike and hold voltage which can be used by the VHS valves. The VHS valve requires a voltage spike in order to actuate. The initial voltage spike is too high to allow continuous operation of the valve and therefore must be reduced immediately after the valve has been actuated. If the voltage is not reduced, the valve will overheat and experience permanent damage.

For specific instructions on using the Spike and Hold Driver.

The user must supply:

• Control signal, 5 vdc TTL

• Hold voltage power supply, 3.5 vdc, 2 W minimum

• Spike voltage power supply, 24 vdc, 20 W minimum

The Valve  pins are .025” square x .100” on center, tin coated phosphorus bronze, bent 90° to the valve body. Longer pins and other custom bends are available through special order.

The Lead Wire Assembly  utilizes 24 AWG PTFE insulated wire with high retention female connectors in a polyphenylene oxide (PPO) housing.

  • Engineering has designed the Spike & Hold Driver to assist in producing precise dispensed volumes from VHS valves. This unit is fully assembled and requires minimal knowledge of electronics. Its use ensures optimized fluid dispensing while reducing the risk of overheating Lee valves.

    The VHS valve requires a voltage spike to actuate. This power level will generate more heat than the valve can safely dissipate. After the valve has opened, the voltage must be reduced to prevent permanent damage to the valve. This driver provides the proper waveform to safely drive the valve.

    Standard VHS valves require the spike voltage (sometimes referred to as pulse voltage) for 0.30 ms to open the valve. The specific minimum spike time, spike voltage and hold voltage is specified on the inspection drawing (available from The Company) for each valve.

    The Spike & Hold Drive circuit module provides a safe operating voltage profile for the VHS valves. This module converts a TTL control signal into a spike and hold voltage, which is usable by the VHS valves.

    (Refer to Figure 1 and drawing in Appendix IV for the following details.)

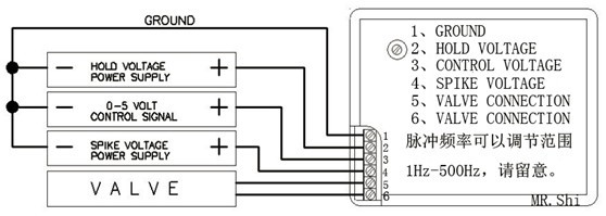
    The spike and hold driver has six screw terminals. They are:

    Terminal 1 - System Ground

    The ground connections for the power supplies and the TTL firing signal are connected to this terminal.

    Terminal 2 – Hold Voltage

    The positive (+) lead from the “hold voltage” power supply is connected to this terminal. The ground (-) is connected to Terminal 1. The hold voltage is the lower of the two voltage supplies. The hold voltage power supply should be capable of supplying 2 watts minimum. Caution: reversing the hold voltage and spike voltage supplies will result in permanent damage to the valve, driver chip, and power supply.

    Terminal 3 – Control Signal

    The positive lead (+) from the TTL control signal (i.e. pulse generator) is attached to this terminal. The ground (-) lead is attached to Terminal 1. The valve will open and remain open as long as the TTL signal is high (5 vdc). The rapidly rising control signal is required to trigger the spike timer.

    Terminal 4 – Spike Voltage (Pulse Voltage)

    The positive lead (+) from the spike voltage power supply is attached to this terminal. The ground (-) lead is attached to Terminal 1. The spike voltage is the higher of the two voltage supplies. The spike power supply should be capable of supplying 20 watts minimum.

    Caution: reversing the spike voltage and hold voltage supplies will result in permanent damage to the valve, driver chip, and power supply.

    Terminal 5 & 6 – Valve Connections

    The VHS valve is connected to these terminals. The coil is not polarized and therefore the leads can be connected in either direction.

  • Figure 2 shows the operation of the spike and hold circuit. The function generator provides a signal (0 or 5 volts) which acts as the control (trigger) voltage. The on-time, duty cycle and operating frequency of the valve are determined by this input signal. When the function generator control signal is low (0 volts), the circuit and valve are not energized. When the signal goes high (5 volts), the circuit energizes the spike timer, and the hold voltages to the valve. The spike timer is factory preset at 0.30 ms. After the spike time, the circuit turns off the spike voltage and leaves the hold voltage energized for as long as the control signal remains high. When the control signal goes low, all power to the valve is turned off, regardless of the spike timer status.

  • Spike Time Adjustment

    The spike time adjustment requires an oscilloscope and a thorough understanding of electronics or damage to the valve may result. The spike time is pre-set to 0.30 ms. This will work with most standard VHS valves operating under nominal conditions. Some valve models or operating conditions will require a longer spike time (consult specific valve inspection drawing for minimum actuation time). The spike time can be adjusted in the field to accommodate these other conditions or valve models.

    The spike time is adjustable by turning the potentiometer adjusting screw (located on the top left corner) of the driver circuit. The potentiometer has a maximum spike time of about 5 ms. This circuit utilizes a 10 turn potentiometer (after 10 revolutions the screw will still turn, but no further adjustment will be achieved).

    The spike duration can be measured by using an oscilloscope with a differential probe, or by hooking up each of the positive leads from two channels of the scope and subtracting Terminal 6 from Terminal 5. The signal will not look right unless there is an inductive load (i.e. a valve). The voltage waveform across the valve should look similar to fig 3. Since the negative spike following shut off of the valve will be about –50 volts, 10X probes may be needed to see all of the waveform.

    Caution: The ground of the oscilloscope should never be attached to either side of the valve. If the ground lead of the oscilloscope is attached to either lead, there will be permanent damage to the valve, driver chip, and/or power supplies.

  • 其他补充:

    控制信号: 5V 的TTL信号

    峰值电压

    保持电压

    1、 峰值电压和保持电压要一直处于稳定的供电状态。

    2、 控制信号是控制输出到阀两端的电压的。

    (1) 当控制信号有5V电压时,又输出到阀两端的电压。当控制信号为0时无输出到阀两端的电压。

    (2) 输出到阀两端的电压随控制信号的频率、占空比改变而改变。

    3、 控制信号与输出到阀两端的电压对应关系如下图

  • 咨询完毕,期待贵公司的工程师的解答

  • 在线等待,另外一点说明就是贵公司有无此款现成的产品符合我公司的这个设备?

  • 你好,我想和你先check一下你的需求

    Control signal, 5 vdc TTL

    • Hold voltage power supply, 3.5 vdc, 2 W minimum

    • Spike voltage power supply, 24 vdc, 20 W minimum

    请问你的输入电压是多少伏?

  • 你好,Max Han,您是指这个脉冲的输入电压吗?还有一点我忘记跟您说了,我们这套系统的工作流程是这样的:

    机器给出一个12V、1A的直流电压来控制我们需要的脉冲电源的开关,然后脉冲产生的电源在来控制这个阀门,机器上的12V、1A控制电源闭合,那么这个脉冲电源也需要闭合,阀门也同时停止工作。以下是工作流程图(注:脉冲电源与阀门之间的控制关系见前面的问题的图一)

    另外补充一下,这个脉冲电源如12V、1A功率不够的话,是否也考虑使用外接220V的方式,

    • Control signal, 5 vdc TTL

    • Hold voltage power supply, 3.5 vdc, 2 W minimum

    • Spike voltage power supply, 24 vdc, 20 W minimum

    以上几种电压的电流要求不大,在300ma以上就可以

  • 由于我在外面出差,没有办法拨打贵公司的800咨询电话,我的电话是13715567043,同时欢迎您打电话过来或者您有无联系方式。

  • 您好,

    推荐方案LM5118+NE555

    LM5118是一个buck-boost的controller,NE555是一个高精度的信号发生器

  • 数字方案UCD3138做一个buck-boost电路