This thread has been locked.

If you have a related question, please click the "Ask a related question" button in the top right corner. The newly created question will be automatically linked to this question.

BQ24616 、BQ24610问题

Other Parts Discussed in Thread: BQ24616, BQ24610

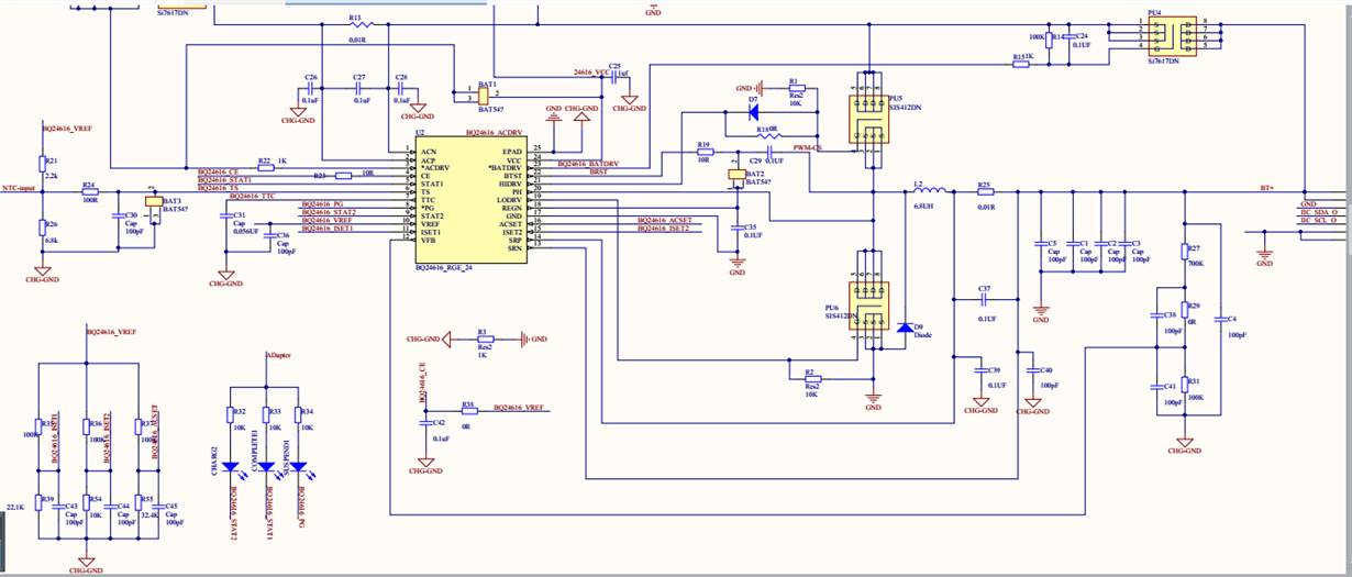
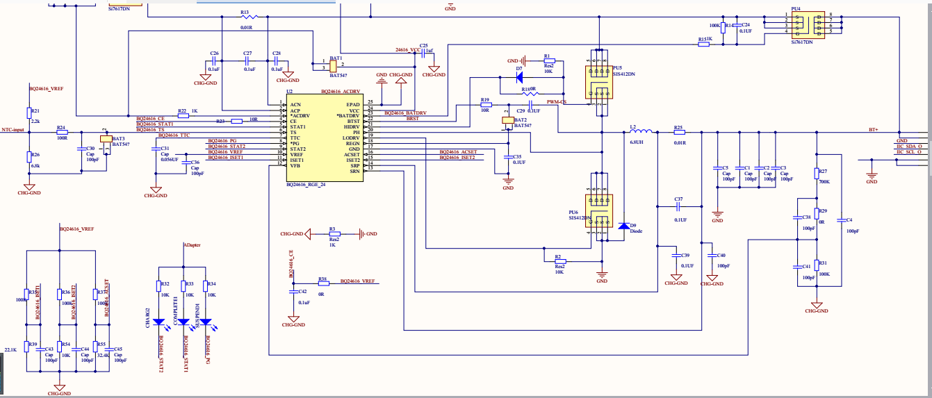
工程师请教个问题,我用BQ24616 和BQ24610焊接到同一个PCB板上出现了一个奇怪的问题,具体的电路图(就是把EVM板上的电路搬过来),但是测试时候出现如下怪现象,他们充电的上下管的控制波形不一致。
原理图如下:
BQ24610的充电波形如下
BQ24616的充电波形如下,但是能正常充电,充电电压和电流也正常?