This thread has been locked.

If you have a related question, please click the "Ask a related question" button in the top right corner. The newly created question will be automatically linked to this question.

关于TPS54610芯片输出电压不正常的问题,

Other Parts Discussed in Thread: TPS54610

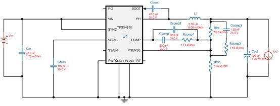
很早之前做的设计,电源芯片选择的是TPS54610,输入是5V,输入是2.5V,当时利用TI的WEBENCH工具设计电路,电路图如下所示:

其中电感为2.7uH,电容为220uF,应用未发现什么问题。

最近对项目进行了改进,将电感换成了2.2uH,后面的电容换成了100uF,加上后面的滤波大电容,总电容量约250uF。(主要由22uF,33uF等构成)

现在发现有时候上电后,电源输出有时候不正常,有时候正常,不正常的输出如下:

另外在之前的调试中也出现过类似的问题,后来通过加大后面的滤波电容,问题得到了解决。但是现在此问题由重新出现,所有有些摸不着头脑,怀疑是电容的问题,但无法精确定位。

由于此电路设计时间很久了,今天在TI网站中,重新用webench设计,已经没有tps54610这款芯片了。我打开以前的设计记录(TI网站个人中心中保存有以前的设计,可以打开),打开后,发现给出下面警告,说是该电路存在不稳定因素,但没有提出具体解决方案。截图如下

请大家帮忙看看,如何解决该问题。或者对于反馈电路和滤波电路,到底该如何选择电容电感值?

多谢!