Other Parts Discussed in Thread: LM25116
Hi ,
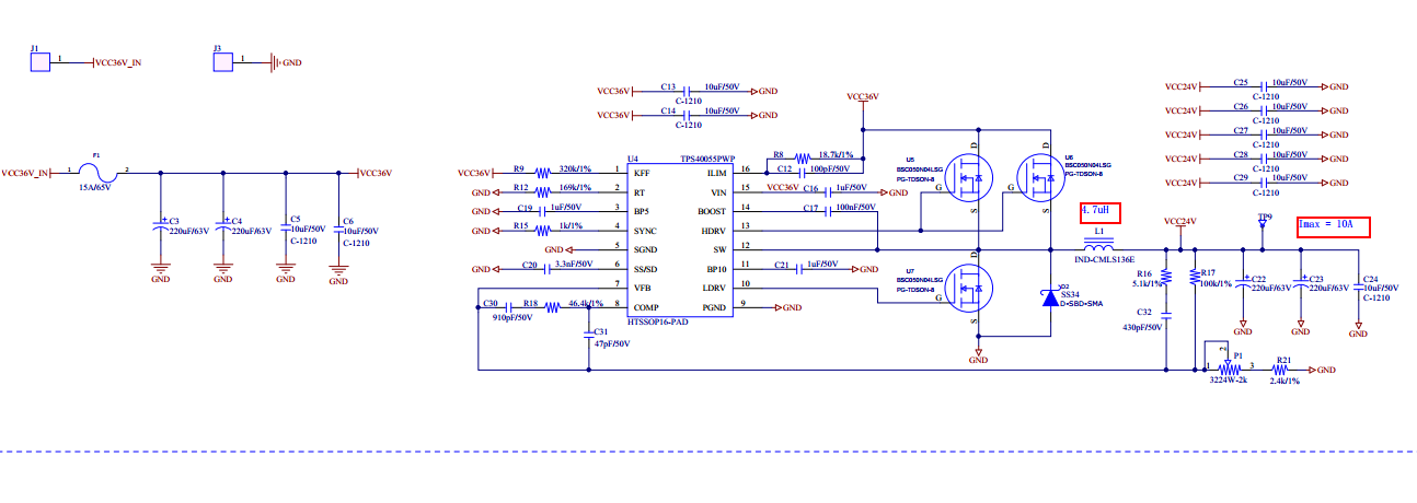
最近在做恒流源驱动,选用这款芯片TPS40055PWP 做36V转24V,进行源端驱动供电,电流最大10A。
在测试TPS40055PWP这部分电路时,发现断电(断开220V(类似急停)),输出波形有”震荡“(暂叫震荡,应该是保护)。测试条件如下:
1.输入选用开关电源220V转36V(16.7A) ;220V输入接个急停开关。
2.TPS40055PWP 电路部分输出24V,接可调电阻负载,2.4ohm。
3.示波器捕捉断电的波形,断开的是220V(急停开关)。输出波形如下:
4.由于当时调试时更改过参数,以下是输入与输出的波形:
5.我的疑问是为何断开220V,TPS40055PWP模块的输出会有尖峰?产生的原因是什么?是芯片限流保护吗?考虑可能会对后面电路(横流源)产生影响。希望能得到TI 工程师的解答。
6.用 TPS40055PWP这款芯片做24V转9V(10A),做同样的实验,未发现输出有尖峰。

