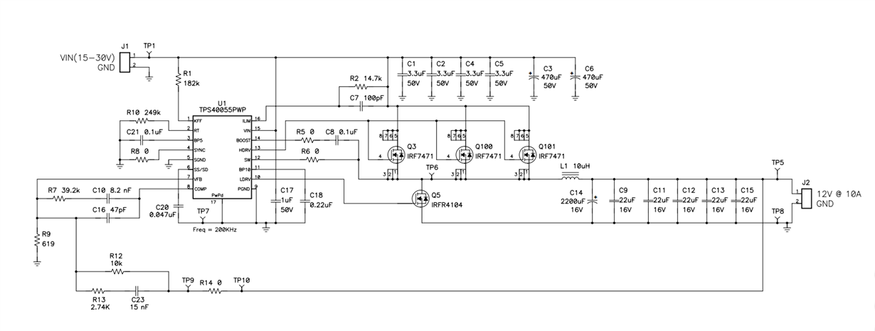
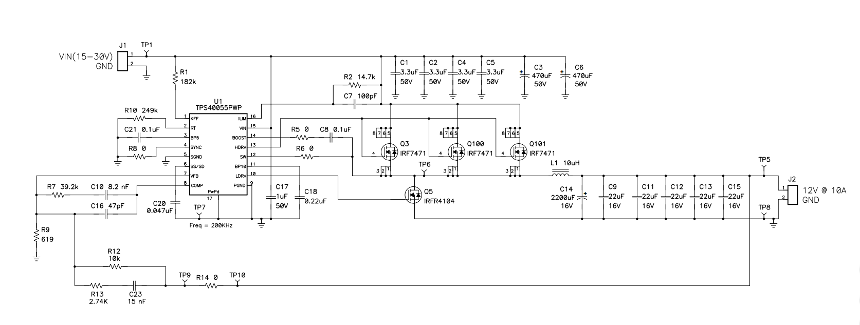
各位好,如题,现在做了一个TPS40055的BUCK电源,电压没办法升到24V,求各位知道的人帮忙解释一下。
This thread has been locked.
If you have a related question, please click the "Ask a related question" button in the top right corner. The newly created question will be automatically linked to this question.
各位好,如题,现在做了一个TPS40055的BUCK电源,电压没办法升到24V,求各位知道的人帮忙解释一下。
功率太大,应该实现不了,MOS估计无法驱动,你不带载时能否实现24V输出,带载最大可以到几安
sluc263d.zip你好,关于参数计算,按照数据手册8.2章节就可以一步一步推导取值
环路补偿的小工具见附件