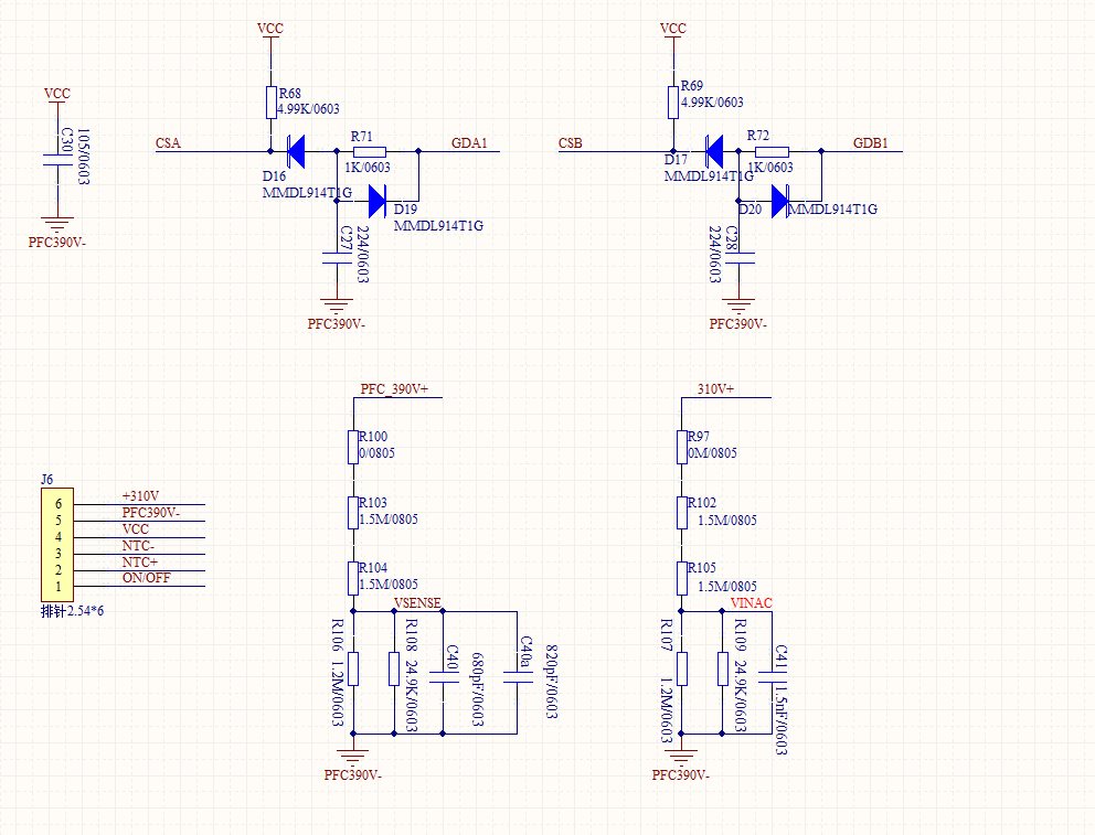
各位好:我用UCC208070A的一款PFC现在带载的时候动态相应不怎么好,请问是改哪些参数可以加快动态相应。
空载-1A负载-空载的动态响应波形
空载-2A负载
2A负载-空载
空载-4A负载
4A负载-空载
This thread has been locked.
If you have a related question, please click the "Ask a related question" button in the top right corner. The newly created question will be automatically linked to this question.
各位好:我用UCC208070A的一款PFC现在带载的时候动态相应不怎么好,请问是改哪些参数可以加快动态相应。
空载-1A负载-空载的动态响应波形
空载-2A负载
2A负载-空载
空载-4A负载
4A负载-空载