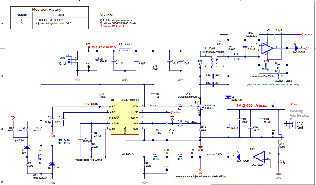
问一下大家,关于TI官网给的TI参考案例低成本10节锂电池参考设计的电压环和电流环具体怎么工作的,尤其那个CS节点,其次输入欠压保护怎么理解?
This thread has been locked.
If you have a related question, please click the "Ask a related question" button in the top right corner. The newly created question will be automatically linked to this question.