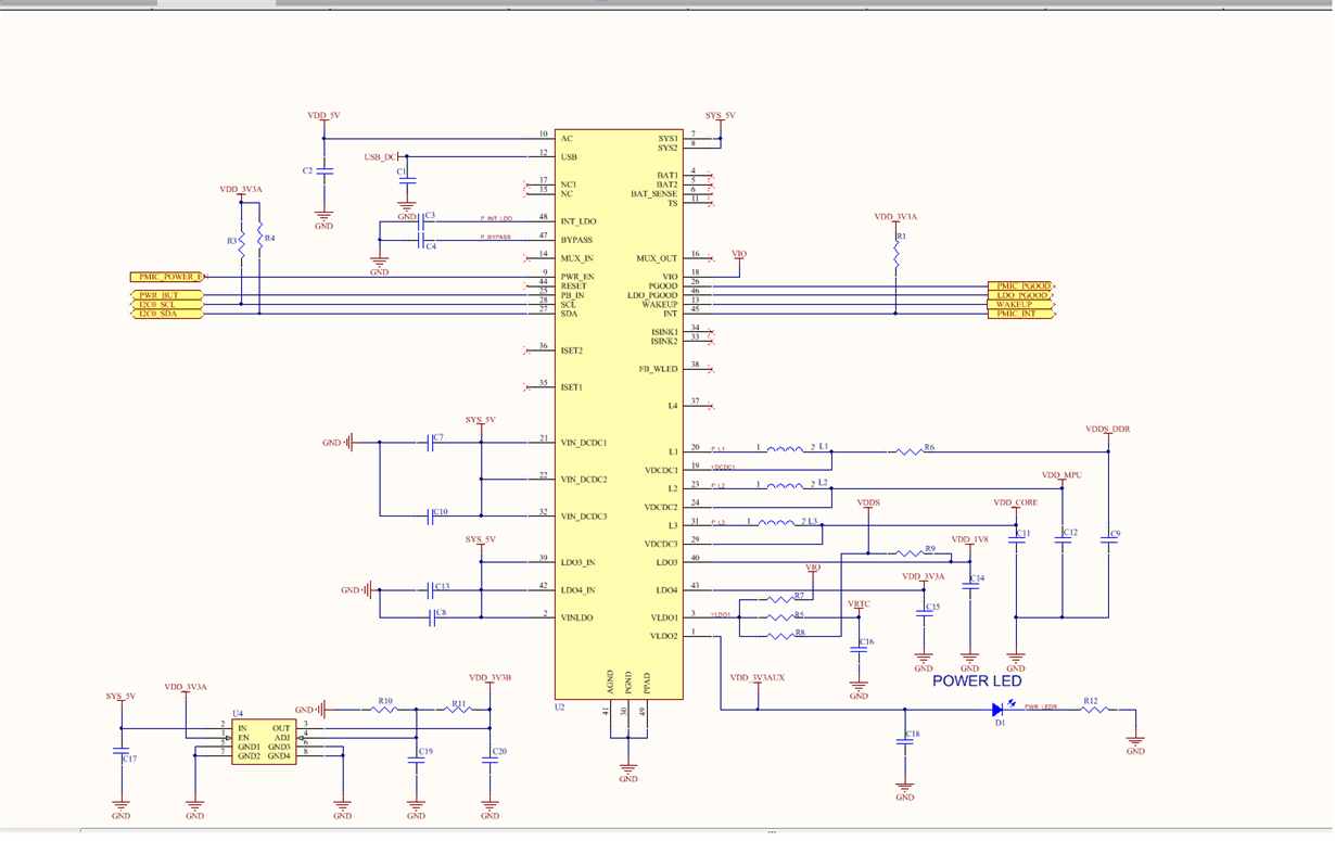
目前使用tps65217c 和 3358,参考bbb a6的板子做的核心板
现在遇到一个问题,输入5v正常稳定,sys5v每间隔2s被拉低一次,rtc1.8v也会被拉低到0v
其他的ldo都是0v
目前负载都已经去掉,只留下了1.8v的rtc供电给cpu的rtc部分
This thread has been locked.
If you have a related question, please click the "Ask a related question" button in the top right corner. The newly created question will be automatically linked to this question.
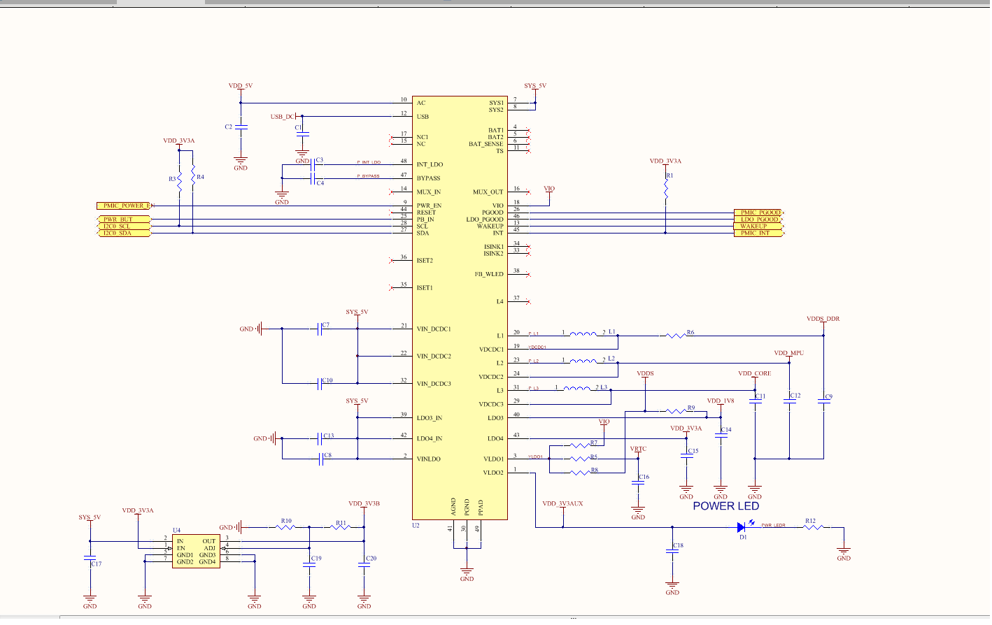
目前使用tps65217c 和 3358,参考bbb a6的板子做的核心板
现在遇到一个问题,输入5v正常稳定,sys5v每间隔2s被拉低一次,rtc1.8v也会被拉低到0v
其他的ldo都是0v
目前负载都已经去掉,只留下了1.8v的rtc供电给cpu的rtc部分