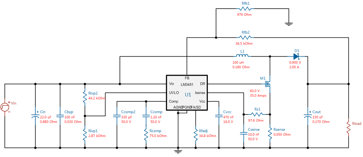
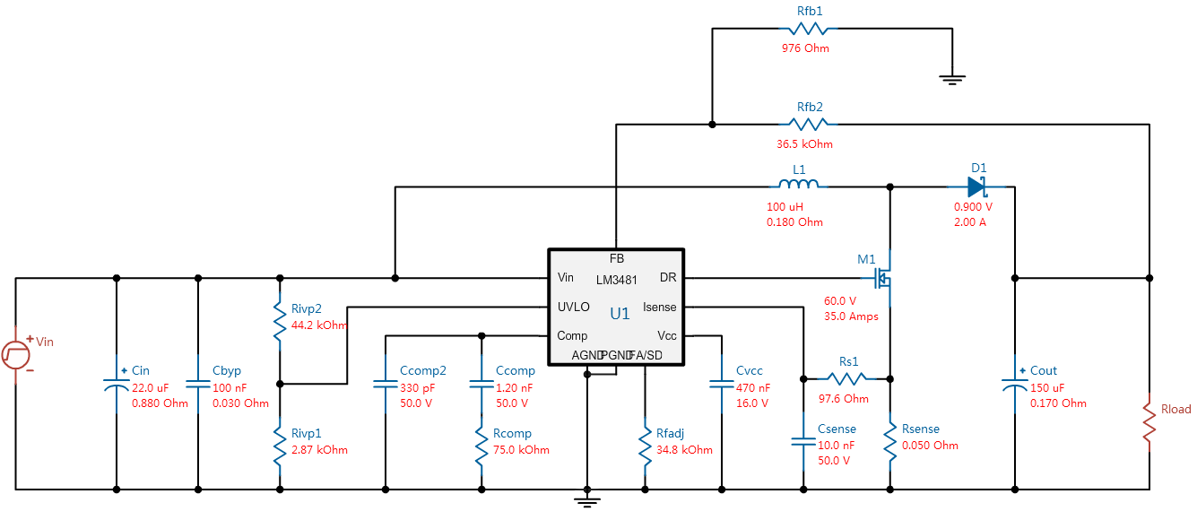
根据webench使用lm3481设计28v到48V的升压电路,采用PSpice 和 TINA-TI 仿真这一电路,结果都没有升压,是哪里有问题吗?


lm3481 - 2.TSC
This thread has been locked.
If you have a related question, please click the "Ask a related question" button in the top right corner. The newly created question will be automatically linked to this question.
根据webench使用lm3481设计28v到48V的升压电路,采用PSpice 和 TINA-TI 仿真这一电路,结果都没有升压,是哪里有问题吗?


lm3481 - 2.TSC