Other Parts Discussed in Thread: TPS2811
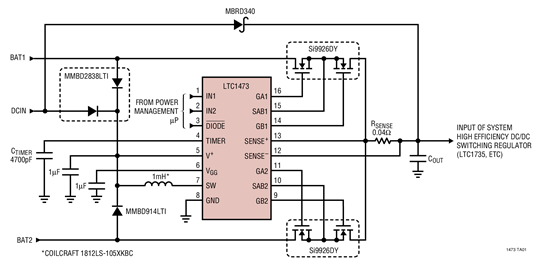
请问TI有没有类似LTC1473 - Dual PowerPath Switch Driver的产品
ADI的产品链接https://www.analog.com/cn/products/ltc1473.html#product-overview
This thread has been locked.
If you have a related question, please click the "Ask a related question" button in the top right corner. The newly created question will be automatically linked to this question.
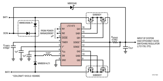
Other Parts Discussed in Thread: TPS2811
请问TI有没有类似LTC1473 - Dual PowerPath Switch Driver的产品
ADI的产品链接https://www.analog.com/cn/products/ltc1473.html#product-overview