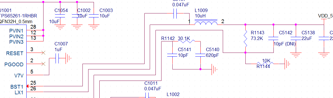
目前,用到TI的TPS65261 DC-DC同步降压转换器作为系统供电芯片,输入12V,输出5V(3A)、3.3V(2A)、1.5V(2A)。现在用示波器测量时发现
TPS65261 DC-DC同步降压转换器LX1引脚所接电感输入端波形不稳。电路如下:
将电感更换成4.7UH,波形无改善,将FB1引脚补偿电路的R1142、C5141、C5140更换为TI自动设计算出的值,一样无改善。自动设计导出原理图如附件:
目前,就是发现频率不稳,该如何让波形频率稳定?
测试结果如下:
This thread has been locked.
If you have a related question, please click the "Ask a related question" button in the top right corner. The newly created question will be automatically linked to this question.
目前,用到TI的TPS65261 DC-DC同步降压转换器作为系统供电芯片,输入12V,输出5V(3A)、3.3V(2A)、1.5V(2A)。现在用示波器测量时发现
TPS65261 DC-DC同步降压转换器LX1引脚所接电感输入端波形不稳。电路如下:
将电感更换成4.7UH,波形无改善,将FB1引脚补偿电路的R1142、C5141、C5140更换为TI自动设计算出的值,一样无改善。自动设计导出原理图如附件:
目前,就是发现频率不稳,该如何让波形频率稳定?
测试结果如下: