目前的设计顺序是
1,webench仿真TPS565201电路。
2,面包板实验,示波器测试输出。
现在有个问题是,仿真结果没有问题,5v-3.3v,但面包板做实验时输出电压是4.1v左右,求有经验的工程师大大解答一下~感激


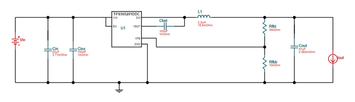
这个是仿真电路,降压输出公式是:Vo=0.760*(1+R1/R2),按理来说R1=33k,R2=10k,应该没什么问题
由于相关经验不足,查询一些情况后总结可能的原因如下
1,电阻和电容的ESR参数达不到要求
2,TPS565201由于是SOT管脚,我是直接焊接的转接板进行的测试,可能有玄学影响
还请各位多多指点~