This thread has been locked.

If you have a related question, please click the "Ask a related question" button in the top right corner. The newly created question will be automatically linked to this question.

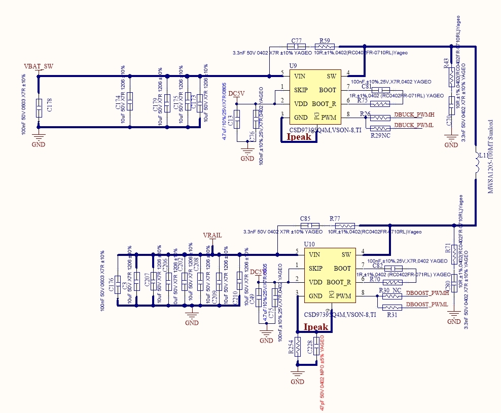
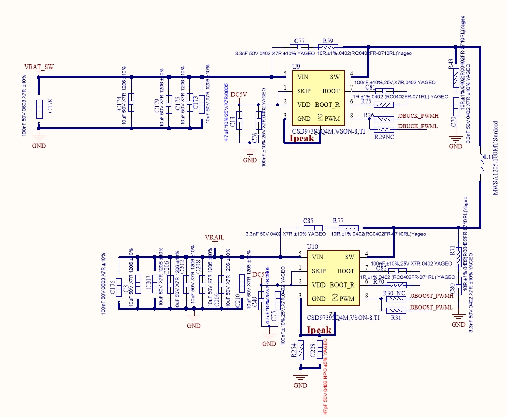
CSD97395Q4M应用问题

Other Parts Discussed in Thread: CSD97395Q4M, LM5176

1.CSD97395Q4M是否可做输出使用?以下是应用电路是否正确(VBAT_SW为12V输入,VRAIL为输出)