This thread has been locked.

If you have a related question, please click the "Ask a related question" button in the top right corner. The newly created question will be automatically linked to this question.

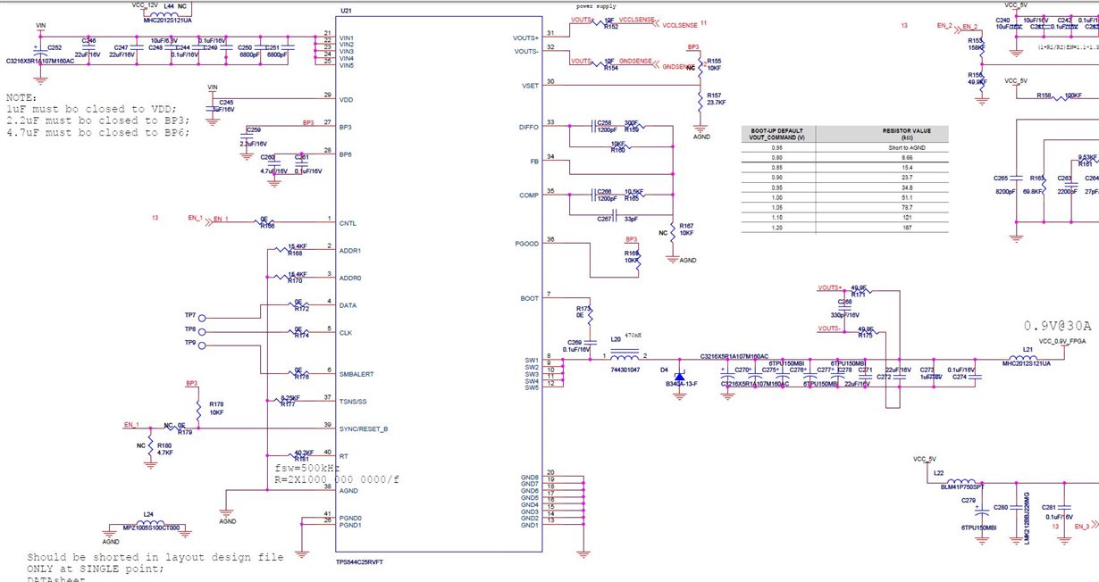
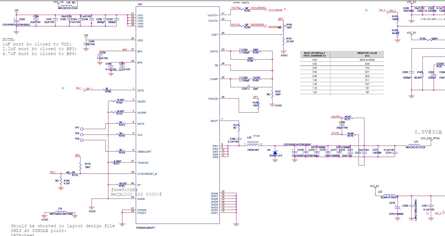
TPS544C25电路输出不正常



参考手册,该设计理论输出值应为0.9V,但现在是3.5V左右,有相关经验的吗?谢谢!